Texas Instruments ISO6521REUEVM Evaluierungsmodul
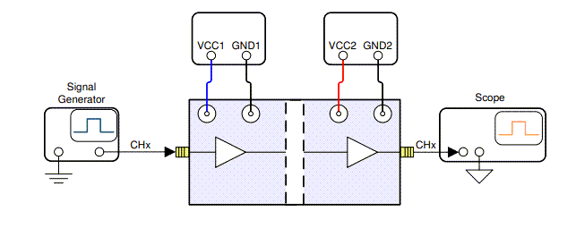
Das Texas Instruments ISO6521REUEVM Evaluierungsmodul ist zur Evaluierung des ISO6521 Zweikanal-Funktionsisolators im 8-Pin-DFN-Gehäuse ausgelegt. Das ISO6521REUEVM bietet zusätzliche Footprints und ermöglicht dem Benutzer die Flexibilität, Komponenten hinzuzufügen, um verschiedene typische Applikationen zu testen.Das TI ISO6521REUEVM Evaluation Module verfügt über mehrere Testpunkte, um eine Bewertung des Geräts mit minimalen externen Komponenten zu ermöglichen.
Merkmale
- Die Versorgungsspannungen von VCC1 und VCC2 reichen von 1,71 V bis 1,89 V und 2,25 V bis 5,5 V
- Mehrere Testpunkte und Verbindungsstiftleisten, die eine schnelle Evaluierung des Bauteils ermöglichen
- Geringe Stromaufnahme
- Zusätzliche Bypass-Kondensator-Footprints an den Stromversorgungspins ermöglichen mehrere Testkonfigurationen
Lieferumfang Kit
- ISO6521 Isolator
- Integrierte Testpunkte und Anschlüsse für jeden Gerätepin
- Bypass-Kondensatoren für Stromversorgungen
Grundlegender EVM-Betrieb
Layout
Schaltschema
Veröffentlichungsdatum: 2023-11-02
| Aktualisiert: 2024-01-30
