Trenz Electronic MAX1000 IoT Maker Board

Trenz Electronic MAX1000 IoT Maker Board is designed for end-to-end application development and cost optimization. The Arrow MAX1000 board can be installed directly into a custom application or integrated onto an entirely separate board. The board is ideal for start-ups, universities, or established equipment manufacturers requiring a flexible, low-cost FPGA platform.

The Trenz Electronic MAX1000 IoT Maker Board features a compact (11mm x 11mm) Altera® MAX®10 FPGA with 8,000 logic elements at its center. The single chip incorporates integrated flash memory, a 1Msps 12-bit ADC for analog signals, and a 3.3V power supply. Additional features include embedded SRAM, DSP blocks, instant-on within milliseconds, and the ability to implement an Altera NIOS II soft core embedded processor to achieve microcontroller tasks.

The MAX1000 supplies 5V of power from the USB port or through a separate pin. An Enpirion DC/DC converter with integrated coil then generates the 3.3V supply utilized on board. A MEMS oscillator supplies the clock supply for the FPGA and the USB bridge. The low-power, 3-axis acceleration sensor, likewise based on MEMS technology, can be employed for position and motion detection, which is often needed in IoT applications. External SDRAM can be used for storage of application data or as memory for the NIOS II processor.

Features

  • SoC/FPGA/module
    • Intel MAX 10
    • 02/04/08/16 logic size
    • 6/7/8 speedgrade
    • C /1/A temperature range
    • U169 package
  • Onboard
    • STMicroelectronics LIS3DH 3-axis accelerometer
    • JTAG and UART over Micro USB2 connector
    • Eight user LEDs
    • One user push button
    • One reset button
    • MEMS oscillator
  • RAM/storage
    • 8MByte SDRAM1
    • 8MByte SPI Flash1
    • 4KBit EEPROM for FTDI
  •  Interface
    • Two 14-pin headers (2.54mm pitch) for seven analog, 15 digital inputs, and various connections
    • PMOD header providing eight GPIOs
    • 6-pin header for JTAG access to FPGA SoC
    • 3-pin header providing two analog inputs or one GPIO
  • 5.0V single power supply via micro USB or pin header
  • 61.5mm x 25mm dimension

Main Components

Trenz Electronic MAX1000 IoT Maker Board

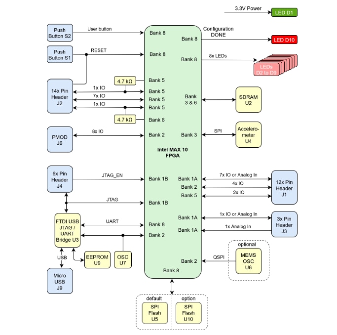
Block Diagram

Block Diagram - Trenz Electronic MAX1000 IoT Maker Board

Overview

Trenz Electronic MAX1000 IoT Maker Board
Veröffentlichungsdatum: 2025-11-20 | Aktualisiert: 2025-12-01