Texas Instruments TS3A5017/TS3A5017-Q1 Analogschalter
Die Texas Instruments TS3A5017/TS3A5017-Q1 Dual-SP4T-Analogschalter bieten einen 3,3 V/2,5 V analogen Multiplexer/Demultiplexer, der für den Betrieb von 2,3 bis 3,6 V ausgelegt ist. Der TS3A5017/TS3A5017-Q1 akzeptiert sowohl digitale als auch analoge Signale. Der TS3A5017-Q1 unterstützt den Ausschaltschutz und sorgt dafür, dass der Signalpfad bei VCC = 0 V über eine hohe Impedanz verfügt. Dadurch wird die Leistungssequenzierung vereinfacht und die Zuverlässigkeit des Systems verbessert. Der TS3A5017/TS3A5017-Q1 bietet eine ausgezeichnete Einschaltwiderstands-Anpassung, eine niedrige Ladungsinjektion und einen niedrigen Klirrfaktor. Die TS3A5017-Q1-Bauteile sind gemäß AEC-Q100 für Fahrzeuganwendungen zugelassen.Merkmale
- Gemäß AEC-Q100 für Fahrzeuganwendungen qualifiziert (TS3A5017-Q1)
- Bauteil-Temperatur: -40 °C bis 125 °C, TA
- HBM-Bauteilklassifikationsstufe: ±1.500 kV
- CDM-Bauteilklassifikationsstufe: ±1.000 V
- Unterstützt die Ausschaltschutz-I/O-Pins Hi-Z wenn VCC = 0 V (TS3A5017-Q1)
- Niedrige Ladungsinjektion
- Niedriger Einschaltwiderstand
- Ausgezeichnete Einschaltwiderstand-Anpassung
- Niedriger Klirrfaktor (THD)
- 2,3 V bis 3,6 V Einzelversorgungsbetrieb
- Latch-Up-Leistung übertrifft 100 mA gemäß JESD 78, Klasse II
- Isolierung im Ausschaltmodus, V+ = 0 (TS3A5017)
Applikationen
- Abtast- und Halteschaltungen
- Infotainment-Audio- und Video-Signal-Routing
- Telematik-Steuereinheit
Datenblätter
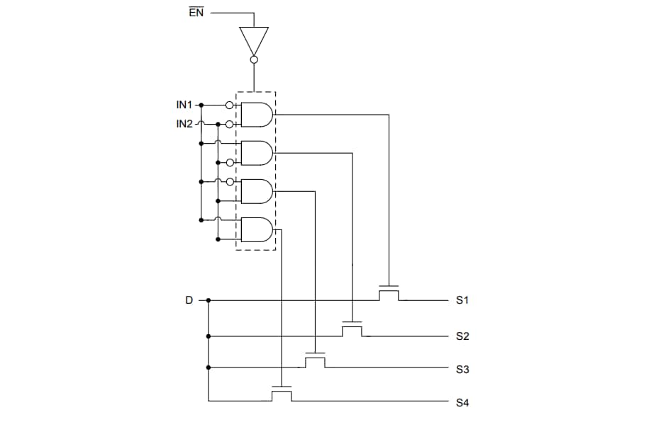
Blockdiagramm
Veröffentlichungsdatum: 2018-11-21
| Aktualisiert: 2023-07-24
