Texas Instruments TPS65911 Leistungsmanagement-ICs (PMIC)

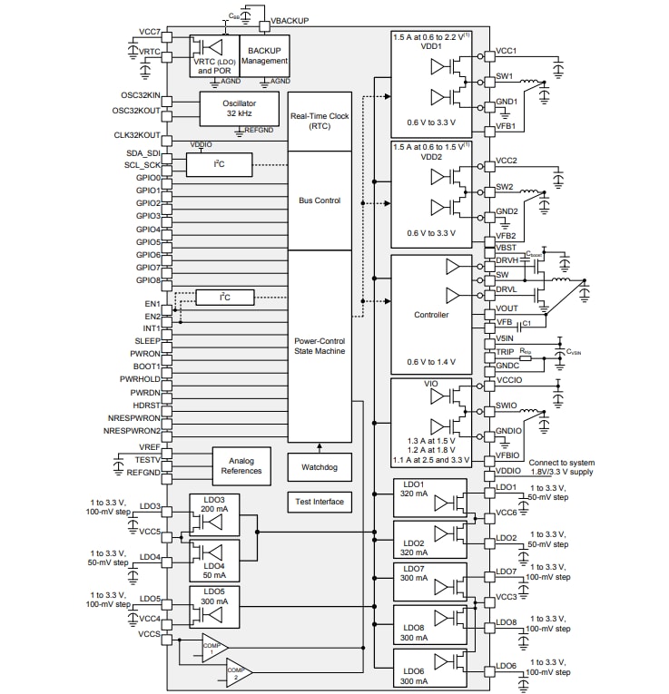
Die TPS65911 Leistungsmanagement-ICs (PMIC) von Texas Instruments bieten drei Abwärtswandler, einen Controller für externe FETs zur Unterstützung der Hochstromschiene und acht LDOs. Das Bauteil ist als flexibler PMIC für den Einsatz mit unterschiedlichen Prozessoren und in unterschiedlichen Applikationen konzipiert. Der TPS65911 ist für Applikationen ausgelegt, die von einer Li-Ionen- oder Li-Ionen-Polymer-Batteriezelle, 3-Serien-Ni-MH-Zellen oder einem 5V-Eingang betrieben werden und erfordern mehrere Stromschienen.

Die dynamische Spannungsskalierung über eine dedizierte I2C-Schnittstelle wird durch Dual-Prozessorkerne unterstützt. Diese Prozessorkerne werden von zwei der Abwärtswandler angetrieben, wodurch optimale Stromeinsparungen ermöglicht werden. Der dritte Wandler versorgt die I/Os und den Speicher im System mit Strom. Die acht Universal-LDO-Regler bieten eine große Auswahl an Spannungs- und Stromfähigkeiten. Fünf der LDO-Regler unterstützen 1 bis 3,3 V mit 100 mV-Schritt. Die verbleibenden drei Regler (LDO1, LDO2, LDO4) unterstützen 1,0 bis 3,3 V mit 50mV-Schritt. Alle LDO-Regler werden vollständig von der I2C-Schnittstelle gesteuert. Der embedded Leistungs-Controller (EPC) mit EEPROM-Programmierbarkeit verwaltet die Leistungssequenzierungs-Anforderungen der Systeme und einem RTC.

Merkmale

  • Zwei unabhängige Freigabesignale zur Steuerung von Leistungsressourcen (EN1, EN2)
    • Alternativ können die EN1- und EN2-Pin als Hochgeschwindigkeits-I2C-Schnittstelle, die für die Spannungsskalierung von VDD1 und VDD2 dediziert ist, verwendet werden
  • Eine Echtzeituhr-Ressource (RTC) mit:
    • Oszillator für 32,768kHz-Quarz oder eingebauter 32kHz-RC-Oszillator
    • Datum, Uhrzeit und Kalender
    • Alarmfunktion
  • Neun konfigurierbare GPIOs mit Multiplex-Unterstützung:
    • Vier können für die Freigabe von externen Ressourcen verwendet werden, die in der Einschaltsequenz enthalten sind und durch die Zustandsmaschine gesteuert werden
    • Als GPI unterstützen GPIOs Logikpegel-Erkennung und können eine maskierbare Unterbrechung für die Aktivierung erzeugen
    • Zwei der GPIOs haben eine Stromsenkenleistung von 10 mA für den Antrieb von LEDs
    • DC/DC-Wandler-Schaltsynchronisierung durch einen externen 3MHz-Takt
  • Zwei Reset-Eingänge:
    • Kaltstart (HDRST)
    • Leistungsinitialisierungs-Reset (PWRDN) für den thermischen Reset-Eingang
  • 32 MHz Takt und Reset (NRESPWRON) für System und einen zusätzlichen Ausgang für das Reset-Signal
  • Watchdog
  • Zwei EIN- und AUS-LED-Impulsgeneratoren und einen PWM-Generator
  • Zwei Komparatoren für die Systemsteuerung, mit dem VCC-Pin verbunden
  • Ein JTAG- und Boundary-Scan (nicht zugänglich im Funktionsmodus [Testzweck])
  • Embedded Leistungs-Controller (EPC) mit EEPROM-Programmierfähigkeit
  • Zwei effiziente DC/DC-Abwärtswandler für Prozessorkerne (VDD1, VDD2)
  • Ein effizienter DC/DC-Abwärtswandler für I/O-Leistung (VIO)
  • Ein Controller für externe FETs (VDDCtrl)
  • Dynamische Spannungsskalierung (DVS) für Prozessorkerne
  • Acht LDO-Spannungsregler und ein RTC-LDO (Versorgung für interne RTC)
  • Übertemperatur- und Überhitzungsschutz
  • Eine Hochgeschwindigkeits-I2C-Schnittstelle für allgemeine Steuerbefehle (CTL-I2C)

Applikationen

  • Tragbare Systeme
  • Hand-Held-Systeme

Blockdiagramm

Blockdiagramm - Texas Instruments TPS65911 Leistungsmanagement-ICs (PMIC)
Veröffentlichungsdatum: 2018-09-28 | Aktualisiert: 2023-05-31