Texas Instruments TPS54527 / TPS54528 5A SWIFT™ Converters
Texas Instruments TPS54527 / TPS54528 5A SWIFT™ Converters

 Produktliste ansehen

Zusätzliche Ressourcen

TI TPS54527 / TPS54528 5A SWIFT™ Wandler

Texas Instruments TPS54527 und TPS54528 5A synchrone Step Down (SWIFT™) Wandler sind adaptive On-Time D-CAP2™ synchrone Abwärtswandler. Die TI TPS54527 und TPS54528 weisen einen weiten Eingangsspannnungsbereich von 4.5V bis 18V auf und einen Ausgangsspannnungsbereich von 0.76V bis 6.0V. Der D-CAP2 Modus dieser TI SWIFT Wandler ermöglicht schnelle Einschwingzeiten. Der TI TPS54528 hat einen Eco-mode™ für hohe Effizienz während leichter Belastung. Die TI TPS54527 und TPS54528 wurden für einen großen Anwendungsbereich für Niedrigspannungssysteme entwickelt, einschließlich Digital-TV-Stromversorgung und Blu-ray™ Player.


Features
  • D-CAP2™ Modus ermöglicht schnelle Einschwingzeiten
  • Niedrige Ausgangswelligkeit erlaubt Keramik-Ausgangskondensator
  • Weiter VIN Eingangsspannungsbereich: 4.5V bis 18V
  • Ausgangsspannungsbereich: 0.76V bis 6.0V
  • Auto-Skip Eco-mode für hohe Effizienz bei leichter Last (TPS54528)
  • Hocheffiziente integrierte FETs, optimiert für Anwendungen mit geringer Auslastung
    • 65mΩ (High Side) und 36mΩ (Low Side)
  • Hohe Effizienz, weniger als 10µA beim Herunterfahren
  • High Initial Bandgap Referenzgenauigkeit
  • Regulierbarer Soft Start
  • Pre-Biased Soft Start
  • 650-kHz Schaltfrequenz (fSW)
  • Cycle By Cycle Überstrombegrenzung
Anwendungen
  • Digital-TV-Stromversorgung
  • HD Blu-ray Disc™ Player
  • Networking Home Terminal
  • Digital Set Top Box (STB)

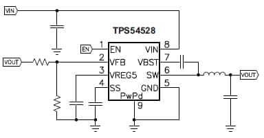
Funktionales Diagramm

Functional Diagram
  • Texas Instruments
Veröffentlichungsdatum: 2012-03-01 | Aktualisiert: 2022-03-11