Texas Instruments TPS1HB50-Q1 Einkanal-High-Side-Smart-Schalter
Texas Instruments TPS1HB50-Q1 Einkanal-High-Side-Smart-Schalter sind für 12-V-Automotive-Systeme vorgesehen. Die Bauteile verfügen über robuste Schutz- und Diagnosefunktionen, die den Schutz des Ausgangsanschlusses auch bei schädlichen Ereignissen wie Kurzschlüssen in Automotive-Systemen gewährleisten.Die TPS1HB50-Q1 High-Side-Schalter von TI schützen vor Fehlern durch eine zuverlässige Strombegrenzung, die je nach Bauteilausführung von 2 A bis 18 A einstellbar ist. Der hohe Strombegrenzungsbereich ermöglicht den Einsatz bei Lasten, die hohe Einschaltströme erfordern, während der niedrige Strombegrenzungsbereich einen besseren Schutz für Lasten bietet, die keine hohen Spitzenströme erfordern. Der TPS1HB50-Q1 ist in der Lage, eine große Auswahl von Lastprofilen zuverlässig anzusteuern.
Der TPS1HB50-Q1 verfügt über eine analoge Strommessung mit hoher Genauigkeit, die eine verbesserte Lastdiagnose ermöglicht. Die High-Side-Schalter ermöglichen eine vorausschauende Wartung und Lastdiagnose, welche die Lebensdauer des Systems verbessern, indem sie Laststrom und Bauteiltemperatur an einen System-MCU melden.
Der TPS1HB50-Q1 ist in einem HTSSOP -Gehäuse erhältlich, das einen geringeren Platzbedarf auf der Leiterplatte ermöglicht.
Merkmale
- AEC-Q100-qualifiziert für Fahrzeuganwendungen
- Temperaturklasse 1: -40 °C bis +125 °C
- HBM-ESD-Bauteilklassifikation Stufe 2
- CDM-ESD-Bauteilklassifikation Stufe C4B
- Widersteht einen Lastabwurf von 40 V
- Funktionssicherheit fähig Dokumentation zur Unterstützung des Designs funktionaler Sicherheitssysteme verfügbar
- Einkanal-High-Side-Smart-Schalter mit 50 mΩ RON (TJ = 25 °C)
- Verbesserung der Zuverlässigkeit auf Systemebene durch einstellbare Strombegrenzung – Strombegrenzungs-Sollwert von 2 A bis 18 A
- Bietet eine Fehleranzeige über den SNS-Pin (Erkennung von offener Last und Kurzschluss zur Batterie)
- Robuster integrierter Ausgangsschutz
- Integrierter thermischer Schutz
- Schutz gegen Kurzschluss zu Masse und Batterie
- Schutz vor Falschpolung der Batterie, einschließlich automatischer Einschaltung des FET bei umgekehrter Spannung
- Automatische Abschaltung bei Ausfall von Batterie und Masse
- Integrierte Ausgangsklemme zur Entmagnetisierung induktiver Lasten
- Konfigurierbare Fehlerbehandlung
- Analoger Messausgang kann für eine genaue Messung konfiguriert werden
- Laststrom
- Temperatur des Bauteils
Applikationen
- Anzeigemodul für Fahrzeuge
- FAS-Module
- Sitzkomfort-Modul
- Getriebe-Steuereinheit
- HLK-Steuerungsmodul
- Karosseriesteuermodule
- Weißglühende und LED-Beleuchtung
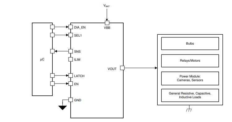
Funktionales Blockdiagramm
Vereinfachtes Schaltschema
