Texas Instruments TPLD1201-Q1 Programmierbare Logikschaltung für Fahrzeuge

Die TPLD1201-Q1 Programmierbare Logikschaltung für Fahrzeuge von Texas Instruments ist Teil der Produktfamilie programmierbarerLogikschaltungen (TPLD) von TI. Diese PLD verfügt über vielseitige programmierbare Logik-ICs mit kombinatorischen, sequenziellen und analogen Blöcken. Das TPLD1201-Q1 Bauteil arbeitet in einem Versorgungsspannungsbereich von 1,71 V bis 5,5 V und einem erweiterten Temperaturbereich von -40 °C bis 125 °C. Dieses Bauteil ist eine vollständig integrierte, stromsparende Lösung zur Implementierung gängiger Systemfunktionen einschließlich Zeitverzögerungen, Spannungswächtern, System-Resets, Leistungssequenzern und I/O-Erweiterungen. Zu den Development Tools gehören InterConnect Studio, ein Evaluierungsmodul und ein TPLD-Programmierboard. Die TPLD1201-Q1 Bauteile sind AEC-Q100-qualifiziert für Fahrzeuganwendungen. Typische Applikationen sind Fabrikautomatisierung und -steuerung, Kommunikationsgeräte, Automatisierung und Zahlungssysteme im Einzelhandel, Prüf- und Messverfahren, professionelle Audio-, Video- und Digital-Signage-Anwendungen, Unterhaltungselektronik und Fahrzeuge.

Merkmale

  • Betriebseigenschaften:
    • -40 °C bis 125 °C erweiterter Temperaturbereich
    • Breiter Versorgungsspannungsbereich von 1,71 V bis 5,5 V
  • Qualifiziert für Fahrzeuganwendungen
  • Konfigurierbare Makrozellen:
    • 2-, 3- und 4-Bit-Nachschlagetabellen
    • Flip-Flops des D-Typs und Verriegelungen mit und ohne Reset-/Set-Option
    • 8-Bit-Leitungsverzögerung
    • Zähler und Verzögerungsgenerator
    • Programmierbarer Entstörfilter oder Flankendetektor
    • Diskrete Analogkomparatoren
    • Spannungsreferenz
    • Oszillator
  • Flexible digitale I/O:
    • Alle digitalen Signale können zu allen GPIOs geroutet werden
    • Digitale Eingangsmodi: Digitaleingang mit und ohne Schmitt-Trigger sowie Niederspannungs-Digitaleingang
    • Digitale Ausgangsmodi: Push-Pull, Open-Drain-NMOS und Tri-State
  • Development Tools
    • InterConnect Studio
    • Evaluierungsmodul
    • TPLD-Programmierboard

Applikationen

  • Fabrikautomatisierung und -steuerung
  • Kommunikationsgeräten
  • Automatisierung und Zahlung im Einzelhandel
  • Test und Messung
  • Pro Audio, Video und Beschilderung
  • Persönliche Elektronik
  • Automotive

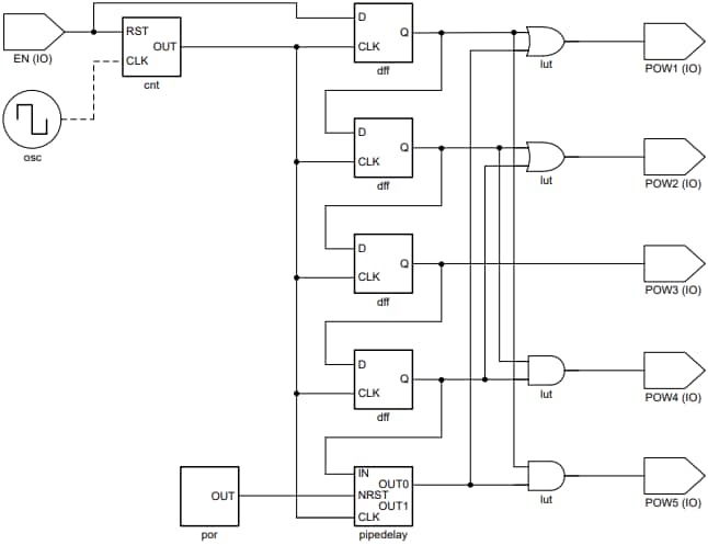
Funktionales Blockdiagramm

Blockdiagramm - Texas Instruments TPLD1201-Q1 Programmierbare Logikschaltung für Fahrzeuge

Typisches Applikationsdiagramm

Applikations-Schaltungsdiagramm - Texas Instruments TPLD1201-Q1 Programmierbare Logikschaltung für Fahrzeuge

Typische Eigenschaften (TA = 25 °C)

Leistungsdiagramm - Texas Instruments TPLD1201-Q1 Programmierbare Logikschaltung für Fahrzeuge
Veröffentlichungsdatum: 2026-01-13 | Aktualisiert: 2026-01-29