National Products von Texas Instruments LMP8602 / LMP8603 60V feste Strommessverstärker

Texas Instruments LMP8602 / LMP8603 60V feste Strommessverstärker

Die Texas Instruments LMP8602 und LMP8603 60V festen Strommessverstärker verstärken und filtern kleine differentielle Signale bei hohen Gleichtaktspannungen. Die Eingangsgleichtaktspannung dieser TI-Geräte beträgt -22V bis +60V beim Betrieb über ein einzelnes 5V-Netzteil. Mit einem 3,3V-Netzteil beträgt die Eingangsgleichtaktspannung -4V bis +27V. Die TI LMP8602 und LMP8603 festen Strommessverstärker sind Teil der Produktfamilie LMP® und eignen sich ideal für den Gebrauch in unidirektionalen und bidirektionalen Strommessanwendungen. Der LMP8602 bietet eine präzise Verstärkung von 50x, wobei der LMP8603 eine präzise Verstärkung von 100x ermöglicht. Diese präzisen Verstärkungen können einen ADC in den meisten Zielanwendungen mit voller Auslastung antreiben. Der LMP8602Q und LMP8603Q basieren auf einem besseren Herstellungsverfahren und ermöglichen die bessere Prozessunterstützung auf dem Automobilmarkt, einschließlich von Fehlererfassungsmethoden.

Merkmale
  • Sofern nicht anders angegeben, betragen die typischen Werte bei TA=25°C, VS=5,0V, Verstärkung=50x (LMP8602), Verstärkung=100x (LMP8603)
  • TCVos: 10μV/°C max.
  • CMRR: 90dB Min.
  • Eingangs-Offset-Spannung: 1mV max.
  • CMVR bei VS=3,3V: −4V bis 27V
  • CMVR bei VS=5,0V: −22V bis 60V
  • Betriebsraumtemperaturbereich: −40°C bis 125°C
  • Einzelner bidirektionaler Betrieb
  • Alle min./max. Grenzen 100% getestet
Anwendungsbereiche
  • High- und Low Side-Treiber-Konfiguration Strommessung
  • Bidirektionale Strommessung
  • Stromschleifen-Spannungsumwandlung
  • Einspritzsteuerung in der Automobilindustrie
  • Übertragungssteuerung
  • Servolenkung
  • Batteriemanagementsysteme

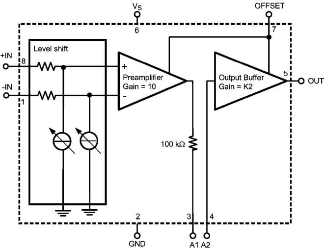
Blockdiagramm

Blockdiagramm

Typische Anwendungsbereiche


Typische Anwendungsbereiche
  • Texas Instruments
Veröffentlichungsdatum: 2012-03-05 | Aktualisiert: 2022-03-11