Texas Instruments LMK04228 Extrem rauscharme Takt-Jitter-Reiniger
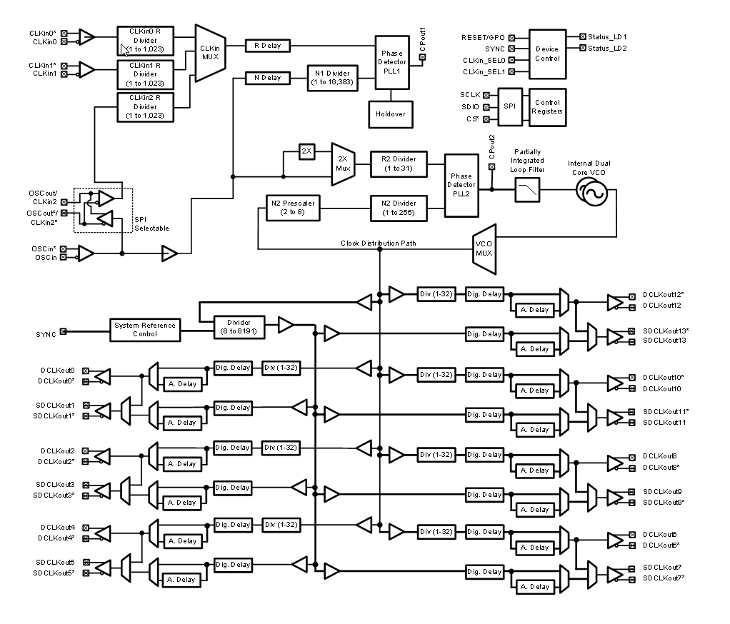
Texas Instruments LMK04228 extrem rauscharme Takt-Jitter-Reiniger bieten eine hohe Leistungsfähigkeit und JEDEC JESD204B-Unterstützung. Das Bauteil bietet 14 Taktausgänge, von denen PLL2 so konfiguriert werden kann, dass sieben JESD204B-Wandler oder andere Logikgeräte mit Bauelementen- und SYSREF-Takten angesteuert werden. Die SYSREF kann sowohl über die DC- und AC-Kopplung bereitgestellt werden. Jeder der 14 Ausgänge kann individuell als Hochleistungsausgang für herkömmliche Taktsysteme konfiguriert werden, ohne auf JESD204B-Applikationen beschränkt zu sein.Die LMK04228 extrem rauscharmen Takt-Jitter-Reiniger kombinieren eine hohe Leistungsfähigkeit mit Funktionen wie der Möglichkeit zwischen Leistung oder Performance, zwei VCOs, Holdover und einstellbarer analoger und digitaler Verzögerung pro Ausgang zu wechseln. Dies macht den LMK04228 ideal für die Bereitstellung flexibler Hochleistungstaktbäume.
Merkmale
- Unterstützt JEDEC JESD204B
- Sehr niedriger RMS-Jitter
- 156 fs RMS-Jitter (12 kHz bis 20 MHz)
- 245 fs RMS-Jitter (100 Hz bis 20 MHz)
- -162,5 dBc/Hz Grundrauschen bei 245,76 MHz
- Bis zu 14 differentielle Gerätetakte von PLL2
- Bis zu 7 SYSREF-Takte
- Maximale Taktausgangsfrequenz: 1,25 GHz
- LVPECL-, LVDS-programmierbare Ausgänge vom PLL2
- Gepufferter VCXO- oder Quarz-Ausgang vom PLL1
- LVPECL, LVDS, 2xLVCMOS programmierbar
- Dual-Loop-PLLatinum™-PLL-Architektur
- PLL1
- Bis zu 3 redundante Eingangstakte
- Automatische und manuelle Umschaltmodi
- Berührungsloses Schalten und LOS
- Integrierte rauscharme Quarzoszillatorschaltung
- Holdover-Modus wenn Eingangstakte verloren sind
- Bis zu 3 redundante Eingangstakte
- PLL2
- Normiertes [1 Hz] PLL-Rauschen von -224 dBc/Hz
- Phasendetektorrate von bis zu 155 MHz
- OSCin-Frequenzverdoppler
- Zwei integrierte rauscharme VCOs
- 50 % Tastverhältnisausgang teilt 1 bis 32 (gerade und ungerade)
- Präzise digitale Verzögerung
- 25 ps analoge Schrittverzögerung
- Multi-Modus: Dual-PLL oder Einzel-PLL
- Industrietemperaturbereich: -40 °C bis +85 °C
- Betrieb von 3,15 V bis 3,45 V
- Gehäuse: 64-Pin-WQFN-Gehäuse (9,0 x 9,0 x 0,8 mm)
Applikationen
- Drahtlose Infrastruktur
- Daten-Wandler-Taktung
- Netzwerke, SONET/SDH, DSLAM
- Medizinischer Bereich/Video/Militärwesen/Luft- und Raumfahrt
- Prüf- und Messgeräte
Blockdiagramm
Vereinfachter Schaltplan
Veröffentlichungsdatum: 2019-10-14
| Aktualisiert: 2023-12-11
