Texas Instruments bq28z610 Batteriestandsanzeige
Die Texas Instruments bq28z610 Batteriestandsanzeige ist eine hochintegrierte, genaue 1- bis 2-reihige Batteriestandsanzeige und Schutzlösung. Autonome Ladekontrolle und ein Zellausgleich sind möglich. Die autonome Ladesteuerung wird über die Master-Modus-I2C-Übertragungen von Ladestrom- und Spannungsinformationen aktiviert. Dies eliminiert den Software-Overhead, der typischerweise durch den Host-Controller des Systems entsteht. Das Bauelement bq28z610 bietet einen Flash-programmierbaren, benutzerdefinierten, reduzierten Befehlssatz-CPU (RISC), Sicherheitsschutz und Authentifizierung für ein- bis zweizellige Li-Ion- und Li-Polymer-Akkus. Die Batteriefüllstandsanzeige bq28z610 kommuniziert über eine I2C-kompatible Schnittstelle. Das Bauteil kombiniert einen Hochgeschwindigkeits-BqBMP-Prozessor mit geringem Stromverbrauch von TI mit hochpräzisen analogen Messfunktionen und integriertem Flash-Speicher. Das Bauelement beinhaltet auch eine Reihe von Peripheriegeräten und Kommunikationsanschlüssen, einen n-Kanal-FET-Treiber und einen Transformations-Responder mit SHA-1-Authentifizierung.Merkmale
- Autonome Batterieladesteuerung mit Hilfe von dedizierter I2C-Schnittstelle im Master-Modus
- Zellenausgleich mit internem Bypass zur Optimierung des Alterungszustands der Batterie
- High-Side-Schutz-n-Kanal-FET-Treiber ermöglicht die serielle Buskommunikation bei Fehlerbedingungen
- Programmierbare Schutzstufen für Spannung, Strom und Temperatur
- Analog-Frontend mit zwei unabhängigen ADCs
- Unterstützung für gleichzeitige Strom- und Spannungsabtastung
- Hochgenauer Coulomb-Zähler mit Eingangs-Offset-Fehler < 1 µV (typisch)
- Unterstützt einen Strommesswiderstand von bis zu 1 mΩ bei gleichzeitiger 1mA-Strommessung
- Unterstützt Batterieabschaltpunkt-Funktion (BTP) für Windows®-Integration
- Responder mit SHA-1-Authentifizierung für erhöhte Sicherheit des Batteriesatzes
- 400kHz-I2C™-Bus-Kommunikationsschnittstelle für Hochgeschwindigkeits-Programmierung und Datenzugriff
- Kompaktes 12-Pin-VSON-Gehäuse (DRZ)
Applikationen
- Tablet-Computer
- Tragbare und wearable Gesundheitsmessgeräte
- Tragbare Audiogeräte
- Drahtloser (Bluetooth) Lautsprecher
Technische Daten
- -0.3V to 30V maximum supply range, 2.2V to 26V typical
- 1.8V to 2.2V shutdown range
- 2.05V to 2.45V start-up range
- 250mV shutdown hysteresis
- 26V output
- 2.2µF external PBI capacitor
- 1 to 2 series cells with Li-ion/Li-polymer cell chemistry
- 100mAh to 14,000mAh battery capacity range
- 20mA or 40mA output currents
- Temperature ranges
- -40°C to +85°C operating
- -65°C to +150°C storage
- Internal and external cell balancing
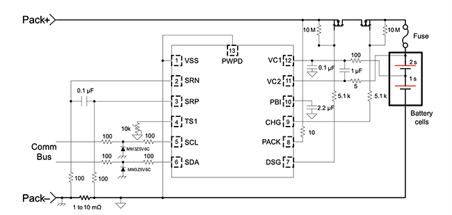
Simplified Schematic
Veröffentlichungsdatum: 2016-01-12
| Aktualisiert: 2022-03-11
