|
||
|
Innovative Chemical & Gas Sensor Solution
|
||
Texas Instruments and National Products Winning Combinations
|
Check out a chemical and gas sensor solution that provides onboard processing and a configurable interface, allowing a single detector to be used for multiple sensor types. TI is the only company that can combine a programmable gas sensor AFE with a low power/high performance MCU and an integrated 4-20 mA driver to offer a compact solution that enables designers to have one sensor design capable of supporting multiple chemical and gas sensors. Texas Instruments and National Semiconductor - TOGETHER, a unique Chemical/Gas Sensor Solution! LMP91000 Configurable AFE Potentiostat Key Solution Features
|
LMP91000
LMP91000 Configurable AFE Potentiostat
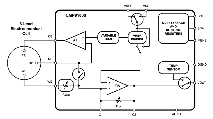
The LMP91000 is a programmable Analog Front End ( AFE) for use in micro-power electrochemical sensing applications that provides a complete signal path solution between a sensor and a microcontroller that generates an output voltage proportional to the cell current. The LMP91000 's programmability enables it to support multiple electrochemical sensors such as 3-lead toxic gas sensors and 2-lead galvanic cell sensors with a single design, as opposed to the multiple discrete solutions. The LMP91000 supports gas sensitivities over a range of 0.5 nA/ppm to 9500 nA/ppm and also allows for an easy conversion of current ranges from 5µA to 750µA full scale. Its adjustable cell bias and transimpedance amplifier ( TIA ) gain are programmable through the I 2 C interface. The LMP91000 is optimized for micro-power applications and operates over a voltage range of 2.7V to 5.25V.
Typical Values, T A=25ºC
|
![]() Specifications:
|
|||||||||
|
||||||||||
Block Diagram
|
||||||||||
Typical Application
- AFE Gas Detector
|
||||||||||
MSP430F2003
MSP430F2003 Ultra-Low-Power Microcontroller
The
MSP430
family of ultra-low-power
microcontrollers
from
Texas Instruments
consists of several devices featuring different sets of peripherals targeted for various applications. The architecture combined with five low-power modes is optimized to achieve extended battery life in portable measurement applications. The device features a powerful 16-bit RISC CPU, 16-bit registers, and constant generators that contribute to maximum code efficiency.
The
MSP430F20xx
series is an ultra-low-power mixed signal
microcontroller
with a built-in 16-bit timer and 10 I/0 pins. The
MSP430F2003
has built-in communication capability using synchronous protocols (SPI
or
I2C
) and a 16-bit sigma-delta A/D converter.
|
Specifications
|
Block Diagram
|
XTR117
XTR117 4-20mA Current-Loop Transmitter
The XTR117 from Texas Instruments is a precision current output converter designed to transmit analog 4-20mA signals over an industry-standard current loop. It provides accurate current scaling and output current limit functions. The XTR117 is a fundamental building block of smart sensors using 4-20mA current transmission. The XTR117 is specified for operation over the extended industrial temperature range -40ºC to +125ºC.
BQ25504
BQ25504 Ultra-Low Power Boost Converter
The BQ25504 Boost Converter from Texas Instruments is the first of a new family of intelligent energy harvesting Nano-Power management solutions that are well-suited for meeting the special needs of ultra low power applications. The BQ25504 is specifically designed to efficiently acquire and manage the microwatts (µW) to miliwatts (mW) of power generated from a variety of DC sources like photovoltaic (solar) or thermal electric generators.
The BQ25504 is the first device of its kind to implement a highly efficient boost converter/charger targeted toward products and systems, such as wireless sensor networks (WSN) which have stringent power and operational demands.
FEATURES
BATTERY STATUS OUTPUT
|
APPLICATIONS
![]()
View Product Detail |


