TE Connectivity ECP40B Hochspannungs-DC-Schaltschütze
TE Connectivity (TE) ECP40B Hochspannungs-DC-Schaltschütze sind für die Steuerung in Hochspannungsumgebungen ausgelegt, beispielsweise Batterie-Energiespeichersysteme, Solar-Wechselrichter und Ladeapplikationen für Elektrofahrzeuge (EV). Diese Schaltschütze eignen sich für Vorladungsapplikationen und können in 1.500 VDC-Spannungssystemen verwendet werden. Die ECP40B Schaltschütze verfügen über eine 40 A-Fähigkeit, sind hermetisch mit Keramik abgedichtet und ermöglichen bidirektionale Lasten. Die ECP40B Hochspannungs-DC-Schaltschütze von TE bieten eine kleine Größe, wodurch Platzeinsparungen bei gleichzeitiger hoher Leistungsfähigkeit bei elektrischer Lebensdauer gewährleistet werden.Merkmale
- 40 A Fertigungskapazität
- Kleine Größe sorgt für Platzeinsparungen
- Schaltspannung bis zu 1.500 VDC erfüllt die Systemspannungsanforderungen
- Bidirektionales Kontaktdesign
- Hohe Leistungsfähigkeit in der elektrischen Lebensdauer
- Sicherheit während des Lade- und Entladens gewährleistet
Applikationen
- Batterie-Energiespeichersysteme
- EV-Ladegerät
- DC-Wandler
- Photovoltaik-Wechselrichter
Technische Daten
- Kontaktanordnung: 1 Form X, SPST-NO-DM
- Maximale Betriebszeit: 30 ms
- Maximale Freigabezeit: 10 ms
- Mechanische Lebensdauer: 200.000 Zyklen
- Spulenleistung: 3 W
- Schraubanschlüsse
- -40 °C bis +85 °C Betriebstemperaturbereich
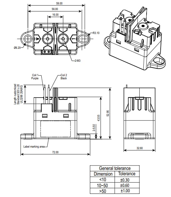
Abmessungen
Weitere Ressourcen
Veröffentlichungsdatum: 2024-08-19
| Aktualisiert: 2024-08-28
