STMicroelectronics TDA7851A/TDA7851F 4x45W MOSFET-Leistungsverstärker

Produktliste anzeigen

Weitere Ressourcen

STMicroelectronics TDA7851A/TDA7851F 4x45W
MOSFET-Leistungsverstärker

Die STMicroelectronics TDA7851A und TDA7851F vierfachen 4x45W MOSFET-Brückenleistungsverstärker sind für Hochleistungs-Autoradio-Anwendungen konzipiert. Die vollständig komplementäre p-Kanal/n-Kanal-Ausgangsstruktur der TDA7851A und TDA7851F vierfachen Brückenleistungsverstärker von STMicroelectronics ermöglicht eine Rail-to-Rail-Spannungsschwankung am Ausgang. Die TDA7851A und TDA7851F setzen für den Autoradio-Bereich neue Leistungsmaßstäbe mit unübertroffener Verzerrungsleistung.


Merkmale
  • Multipower BCD-Technik
  • Hohe Ausgangsleistungskapazität:
    • 4x42W/4Ω max.
    • 4x28W/4Ω bei 14,4V, 1kHz, 10%
    • 4x72W/2Ω max.
  • MOSFET-Ausgangsleistungsphase
  • Ausgezeichnete 2Ω Betriebskapazität
  • Hi-Fi-Klasse Verzerrung
  • Leises Ausgangsrauschen
  • Standby-Funktion
  • Stummschaltung
  • Autom. Stummschaltung bei min. Versorgungsspannungserfassung
  • Geringe externe Komponentenanzahl
    • Intern fixierte Gain/Verstärkung (26dB)
    • Kein externer Ausgleich
    • Keine Bootstrap-Kondensatoren
  • DC-Offset-Detektor am Ausgang
  • Schutz:
    • Ausgangs-Kurzschluss zu GND, zu VS, durch die Last
    • Äußerst induktive Last
    • Überbewertung der Chiptemperatur mit weichem thermischen Begrenzer
    • Load-Dump-Schutz
Anwendungsbereiche
  • Hochleistungs-Autoradios

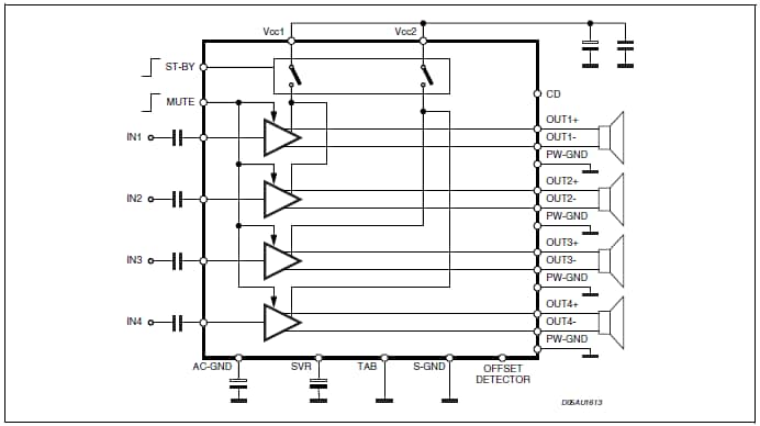
Blockdiagramm

Blockdiagramm
  • STMicroelectronics
  • Audio
  • Semiconductors|Integrated Circuits|IC-Amplifier|IC-Audio
Veröffentlichungsdatum: 2011-11-15 | Aktualisiert: 2022-03-11