STMicroelectronics STDRIVE102BH/H Dreifache Halbbrücken-Gate-Treiber

STDRIVE102BH/H Dreifache Halbbrücken-Gate-Treiber von STMicroelectronics sind für den bürstenlosen Dreiphasen-Motorantrieb ausgelegt. Aufgrund seines sehr effizienten Standby-Modus, der den Stromverbrauch stark reduziert, wenn das Bauteil nicht aktiv ist, ist der STDRIVE102BH/H eine ideale Lösung für batteriebetriebene Motortreiber-Applikationen wie z. B. Elektrowerkzeuge, Staubsauger und kleine Haushaltsgeräte.

Der STDRIVE102BH/H verfügt über integrierte Schutzfunktionen, die die Robustheit der gesamten Applikation erhöhen. Zu den Schutzmechanismen gehören Unterspannungssperre (UVLO) an jeder Versorgung (VCC, VDD und elektrische Ladepumpenspannung), thermische Abschaltung und VDS-Überwachung sowohl auf High-Side- als auch auf Low-Side-MOSFETs. Wird ein Schutzmechanismus ausgelöst, meldet der nFAULT Open-Drain-Pin das Ereignis. Der STMicro STDRIVE102BH verfügt über einen weiteren dedizierten Open-Drain-Pin (FLAG), der anzeigt, ob die Gate-Treiber-Versorgungsspannung VCC unter den Schutzgrenzwert fällt. Der Gerät beinhaltet eine intelligente Abschaltfunktion, die im Falle eines Defekts das sofortige Abschalten der Ausgänge des Gate-Treibers ermöglicht, indem die Laufzeitverzögerung zwischen dem Defekterkennungsereignis und der eigentlichen Ausgangsabschaltung minimiert wird.

Zusätzlich zum Hauptversorgungsanschluss (VS) verfügt der STDRIVE102BH/H über einen dedizierten Pin VM, der mit der Motorspannungsversorgung in Übereinstimmung mit den Drain-Anschlüssen der High-Side-n-Kanal-MOSFETs verbunden werden sollte. Der VM-Pin wird für die integrierte VDS-Überwachung und als Referenzspannung für die Ladungspumpe verwendet. Die VS- und VM-Pins können mit verschiedenen Spannungen betrieben werden, um die Flexibilität des Bauteils zu steigern.

Merkmale

  • Betriebsspannung von 6 V bis 50 V
  • Gate-Treiber mit programmierbarer Strombelastbarkeit von bis zu:
    • 1 A Quelle Strom
    • 2 A Ableitvorrichtung Strom
  • Hohe Robustheit gegen Unterschreitung des Massepotentials und Überschwingen
  • Ladungspumpe für 100-%-Tastverhältnisbetrieb mit dedizierter Unterspannungssperre
  • Flexibles Leistungsmanagement:
    • 12 V LDO-Linearregler mit dedizierter Unterspannungssperre
    • 3,3 V LDO-Linearregler mit dedizierter Unterspannungssperre
  • Standby-Modus für einen geringen Stromverbrauch von unter 50 nA
  • Übertemperaturschutz
  • VDS-Überwachung für einen sicheren Betrieb der Leistungs-MOSFETs
  • Flexibles Analog-Frontend:
    • Bis zu drei Operationsverstärker mit großer Bandbreite
    • Bis zu drei Hochgeschwindigkeits-Komparatoren
  • Zwei Steuerungsmodi:
    • ENx/INx
    • INHx/INLX mit Verriegelung
  • Angepasste Signallaufzeit für alle Kanäle
  • Logikeingänge bis zu 5 V, TTL-kompatibel

Applikationen

  • Batteriebetriebene Elektrowerkzeuge
  • Tragbare Staubsauger
  • Elektrofahrräder
  • Industrieautomatisierung
  • Robotik
  • Pumpen und Lüfter

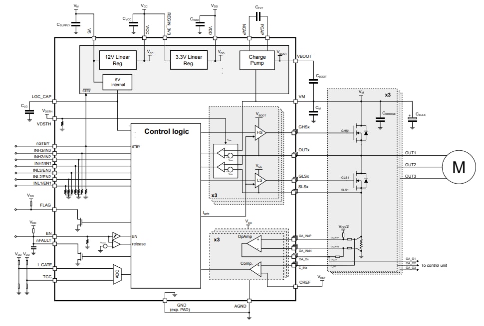
STDRIVE102BH Blockdiagramm

Blockdiagramm - STMicroelectronics STDRIVE102BH/H Dreifache Halbbrücken-Gate-Treiber

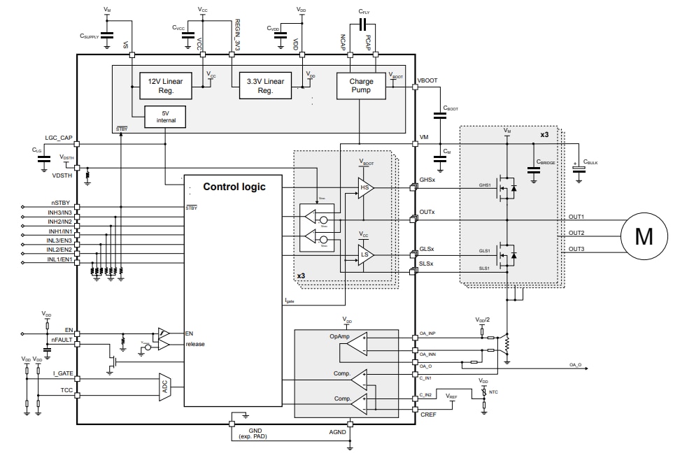
STDRIVE102H Blockdiagramm

Blockdiagramm - STMicroelectronics STDRIVE102BH/H Dreifache Halbbrücken-Gate-Treiber

Videos

Veröffentlichungsdatum: 2025-04-17 | Aktualisiert: 2025-08-27