STMicroelectronics PM8805 IEEE 802.3bt PoE-PD-Schnittstelle

Die STMicroelectronics PM8805 IEEE 802.3bt PoE-PD-Schnittstelle ist ein System-in-Package für Smart-Netzteile und ist für Leistungspegel von bis zu 99,9 W verwendbar. Die PM8805 enthält zwei aktive Brücken und ihre Antriebsschaltung, eine Ladungspumpe zur Ansteuerung von High-Side-MOSFETs, den MOSFET mit Hot-Swap-Funktionalität und die mit IEEE 802.3bt kompatible Schnittstelle. Die PM8805 führt die physikalische Layer-Klassifizierung durch und zeigt die erfolgreiche PSE-Typ-Identifizierung an. Das Bauteil ermittelt, mit welcher Art von PSE (Standard oder Legacy) es verbunden ist und bietet eine erfolgreiche IEEE802.3 af/at/bt Klassifizierungsanzeige durch die Kombination von T0-, T1- und T2-Signalen (Open-Drain).

Die PM8805 bietet eine Stromversorgung entweder vom Ethernet-Kabel oder von einer externen Leistungsquelle, wie z. B. einem Wandadapter mit einer möglichen Prävalenz der Hilfsstromquelle in Bezug auf das PoE. Die PM8805 ist zur Erstellung des Schnittstellenabschnitts von PoE-Schaltmodus-Netzteilen vorgesehen und ermöglicht den höchsten Umwandlungswirkungsgrad. Das Bauteil bietet ein PGD-Signal, das zur Aktivierung eines PWM-Controllers, eines DC/DC-Wandlers oder eines LED-Treibers verwendet werden kann.

Merkmale

  • Aktive Dual-Brücke, MOSFET mit Hot-Swap-Funktionalität und PoE-PD-Schnittstelle in einem System-in-Package
  • 100-V-High-Side-n-Kanal-MOSFET mit 0,1 Ω und Hot-Swap-Funktionalität
  • PoE-PD-Schnittstelle mit Einzelsignatur, die mit IEEE 802.3bt/at/af konform ist
  • Unterstützt 4-Paar-PoE-Applikationen
  • Unterstützt 12-V-Hilfsstromquellen
  • Ermittelt, mit welcher Art von PSE (Standard oder Legacy) es verbunden ist und bietet eine erfolgreiche IEEE802.3 af/at/bt Klassifizierungsanzeige durch die Kombination von T0-, T1- und T2-Signalen (Open-Drain)
  • Smart-Betriebsmodi
  • 100-V-n-Kanal-MOSFETs mit einem Gesamtbahnwiederstand von 0,2 Ω für jede aktive Brücke
  • Programmierbarer Klassifizierungsstrom mit einer Verzögerung von 3,3 ms
  • Optionale Autoclass-Funktion
  • Erweiterte energiesparende MPS-Timings
  • Zweistufiger Hot-Swap-fähiger Stromschutz: DC mit einer Verzögerung von 1 ms und Kurzschluss mit einer Verzögerung von 10 µs
  • Kontrollierte Vorladung des Ausgangskondensators
  • PGD-Signal (Open-Drain) zur Aktivierung eines externen PWM-Controllers
  • Übertemperaturschutz

Applikationen

  • Drahtlose Hochleistungs-Datensysteme
  • Sicherheitskameras
  • Zugangspunkte
  • Öffentliche Informationsdisplays
  • PoE-Beleuchtungssysteme

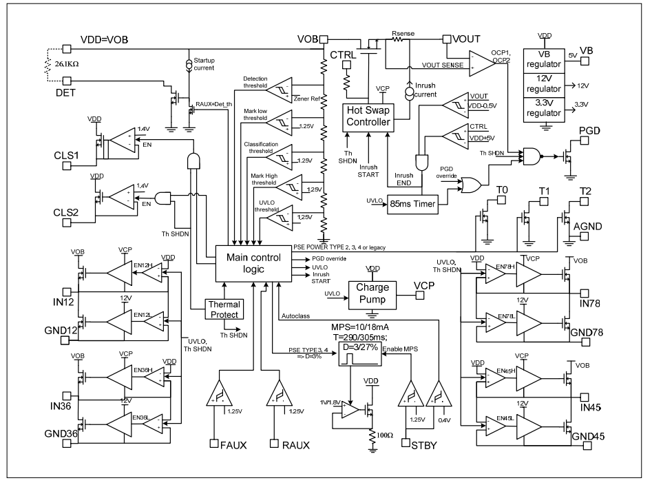
Blockdiagramm

Blockdiagramm - STMicroelectronics PM8805 IEEE 802.3bt PoE-PD-Schnittstelle
Veröffentlichungsdatum: 2019-02-14 | Aktualisiert: 2024-01-26