STMicroelectronics STWLC38 Qi-konform Dualer Kabelloser Receiver
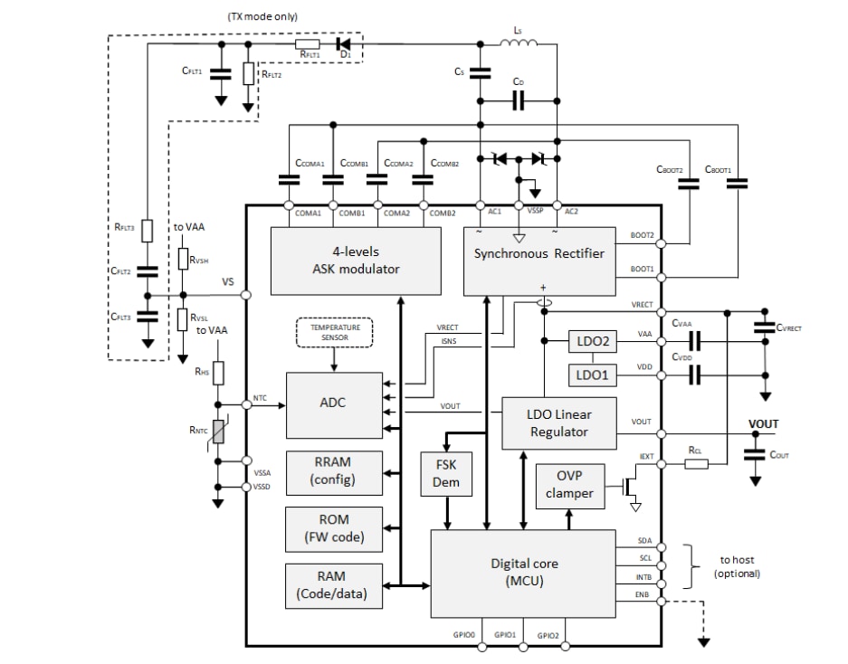
Der Qi-konforme drahtlose Dual-Funkleistungsempfänger der Baureihe STWLC38 von STMicroelectronics ist für Wearables/Hearables und Smartphone-Applikationen konzipiert. Der Chip unterstützt die Spezifikation Qi 1.3 für das induktive Kommunikationsprotokoll, das 5-W-Basis-Leistungsprofil und das erweiterte 15-W-Leistungsprofil.Der STWLC38 Empfänger von STMicro sorgt über den integrierten verlustarmen Synchrongleichrichter und den Low-Dropout-Linearregler für einen hervorragenden Wirkungsgrad. Der digitale Core verwaltet diese Elemente dynamisch, um die Gesamtverlustleistung über einen großen Bereich von Ausgangslastbedingungen zu minimieren.
Mit der I2C-Schnittstelle können Benutzer auf verschiedene Konfigurationsparameter zugreifen und diese ändern, wodurch das Bauteil den Anforderungen von benutzerdefinierten Applikationen gerecht wird. Die Konfigurationsparameter können im integrierten resistiven RAM (RRAM) gespeichert und beim Einschalten automatisch abgerufen werden. Der STWLC38 kann auch im Tx-Modus betrieben werden, um bis zu 5 W Leistung zum Laden anderer Geräte zu übertragen.
Der STWLC38 ist in einem Chip-Scale-Gehäuse untergebracht und eignet sich für platzsparende Lösungen in Wearables.
Merkmale
- Ausgangsleistung: bis zu 15 W
- Ausgangsleistung im Tx Modus: bis zu 5 W
- Qi 1.3 induktives kabelloses Standardkommunikationsprotokoll- konform
- Hohe Effizienz (98 % typisch) bei synchronen Gleichrichtern mit bis zu 800 kHz
- Low-Dropout-Linearregler mit Ausgangsstrombegrenzung und Eingangsspannungskontrollschleife
- Adaptiver-Rectifier-Konfigurationsmodus (ARC-Modus) für verbesserte Flexibilität in der Platzierung
- Programmierbare Ausgangsspannung: von 4V bis 12V
- Gesamteffizienz: über 85 %
- 32-bit, 64MHz ARM Cortex M0+ Kern mit 32 kB RRAM, 16 kB SRAM, 64 kB ROM
- 10-Bit-A/D-Wandler
- Konfigurierbare GPIOs
- I2C-Slave-Schnittstelle
- Mehrstufiger ASK-Modulator, verbesserter FSK-Demodulator
- Ausgangsüberspannungs-Klemmschutz
- Genaue Spannungs-/Strommessung für Fremdkörpererkennung (FOD)
- On-Chip Wärmemanagement und Schutzfunktion
- Flip-Chip mit 40 Bumps (2,12 mm x 3,32 mm)
Applikationen
- Smartphones
- Wearables/ Hearables TWS
- Geräte für Asset-Tracking
- Medizintechnik und Gesundheitswesen
Blockdiagramm
