STMicroelectronics LDH40 200-mA-Low-Dropout-LDO
Der LDH40 200-mA-Low-Dropout-LDO von STMicroelectronics ist für den direkten Anschluss an eine Autobatterie in Fahrzeuganwendungen oder an eine generische Batterie in Industrieapplikationen ausgelegt. Der LDH40 bietet eine erweiterte Eingangsspannung von bis zu 40 V zur Unterstützung von Lastabwurf-Transienten in Fahrzeugsystemen. Der extrem niedrige Ruhestrom des Bauteils bei geringer Last erhöht die Lebensdauer des Akkus in Always-on-Standby-Systemen.Der STMicro LDH40 ist an Eingang und Ausgang mithilfe eines kleinen Keramikkondensators stabilisiert. Eine Freigabe-Logik-Steuerfunktion versetzt den LDH40 in den Abschaltmodus und ermöglicht so einen Gesamtstromverbrauch, der niedriger als 0,3 µA ist. Wärmeschutz ist ebenfalls enthalten. Das Bauteil wird in einem Automobilstandard-DFN-Gehäuse mit winzigem Footprint und benetzbarer Flanke angeboten. Der Footprint spart maximalen Platz im Leiterplattendesign (PCB) und der automatisierten optischen Inspektion (AOI).
Merkmale
- Gemäß AEC-Q100 Klasse 1 qualifiziert
- Betriebstemperaturbereich: -40 °C <TJ <+150 °C
- Eingangsspannung: 3,3 V bis 40 V
- Dropout-Spannung (700 mV typ. bei einer Last von 200 mA)
- Niedriger Erdstrom (2 μA typisch bei Nulllast)
- Einstellbar von 1,2 V bis 22 V
- Ausgangsspannungstoleranz von 0,5 % bei 25 °C
- Garantierter 200 mA Ausgangsstrom
- Power Good
- Logik-gesteuerte elektronische Abschaltung
- Interne Strombegrenzung
- Thermische Abschaltung
- Aktive Ausgangsentladungsfunktion
- Gehäuse
- DFN 2 x 2 6L HF für Fahrzeuganwendungen
- SOT23 5L und DFN 6L für Industrieanwendungen
Applikationen
- EV-Antriebsstrang
- Karosseriesteuerungsmodule
- Batteriebetriebene Always-on-Applikation
- Infotainment und Kombiinstrumente
- ADAS
Blockdiagramm
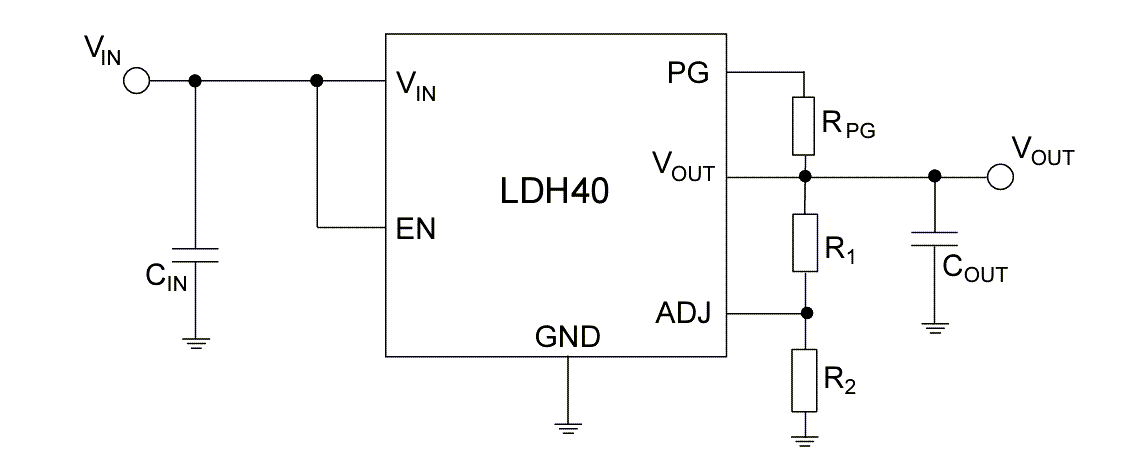
Typische Applikations-Schaltung
Veröffentlichungsdatum: 2024-03-11
| Aktualisiert: 2025-04-18
