STMicroelectronics STEVAL-3601CV1 Evaluierungsboard

Das Evaluierungsboard STEVAL-3601CV1 von STMicroelectronics verfügt über den synchronen Abwärtswandler DCP3601CMR zur Verbesserung der Spitzenstromsteuerung und der fortschrittlichen Designschaltung. Mit diesem Board wird ein Smart-Wandler-Design demonstriert, das einen Ausgangsstrom von bis zu 1 A von einem Eingangsbereich von 3,3 V bis 36 V mit einer Ausgangsspannung von 5 V liefert. Das Evaluierungsboard STEVAL-3601CV1 umfasst eine feste Schaltfrequenz von 1 MHz, eine Spitzenstrommodussteuerung und ein internes Kompensationsnetzwerk. Dieses Evaluierungsboard ist WEEE- und RoHs-konform. Zu den typischen Applikationen gehören Leistungsumwandlungslösungen in großen Haushaltsgeräten, Smart Metering,24-V-Industrie-Busumwandlung und Universal-Netzteile mit großem Vin.

Merkmale

  • Umfasst den miniaturisierten, synchronen Abwärtswandler DCP3601CMR
  • Eingangs-Ruhestrom: 110 µA
  • 1 MHz feste Schaltfrequenz
  • Eingangsbetriebsspannungsbereich: 3,3 V bis 36 V
  • Ausgangsspannung: 5 V
  • Synchrongleichrichtung
  • Internes Kompensationsnetzwerk
  • Spitzenstrommodussteuerung
  • Präzisionsfreigabe
  • WEEE- und RoHS-konform

Applikationen

  • Leistungsumwandlungslösungen in großen Haushaltsgeräten
  • Smart Metering
  • Industrielle24-V-BUS-Umwandlung
  • Universal-Netzteile mit großem Vin

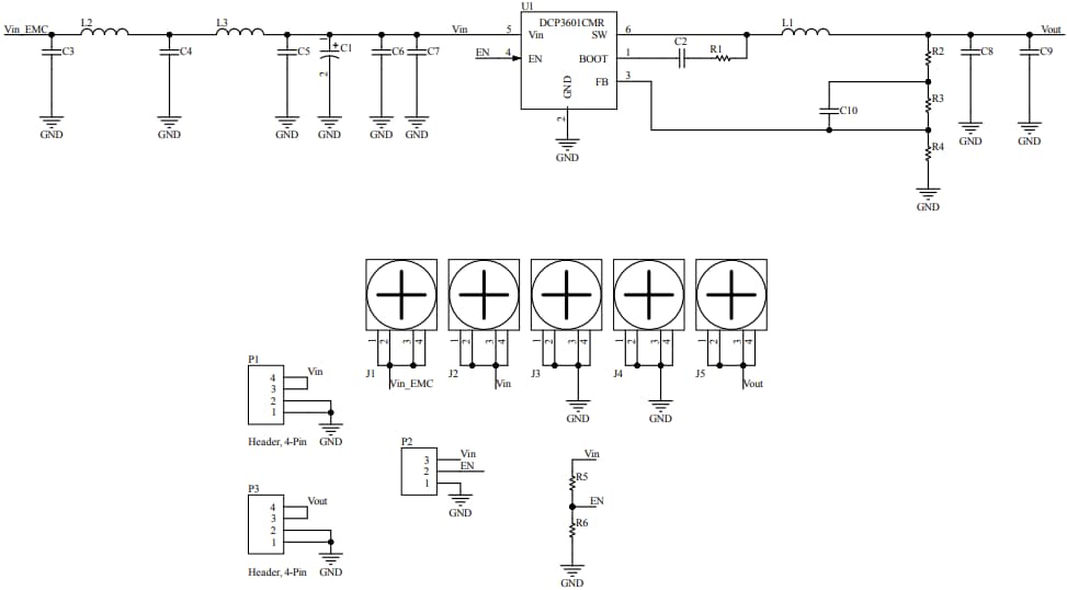
Schaltplan

Schaltplan - STMicroelectronics STEVAL-3601CV1 Evaluierungsboard
Veröffentlichungsdatum: 2024-12-09 | Aktualisiert: 2026-03-17