STMicroelectronics STDRIVE101 Dreifacher Halbbrücken-Gate-Treiber
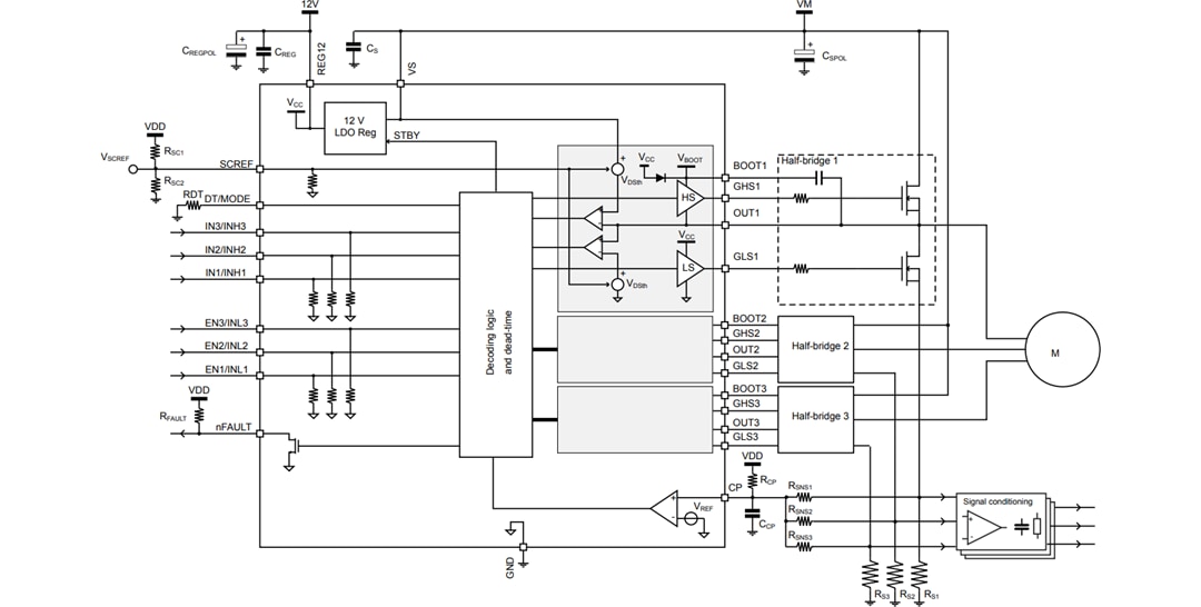
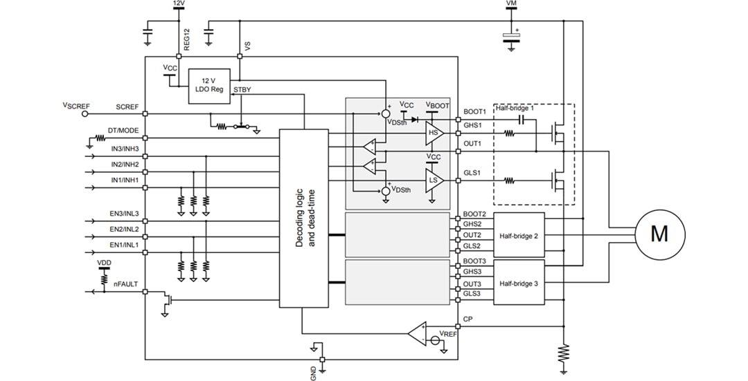
Der STMicroelectronics STDRIVE101 Triple-Halbbrücken-Gate-Treiber ist ein Niederspannungs-Gate-Treiber, der sich für den Antrieb von bürstenlosen Dreiphasen-Motoren eignet. Der STDRIVE101 ist ein Einzelchip mit drei Halbbrücken-Gate-Treibern für n-Kanal-Leistungs-MOSFETs. Jeder Treiber verfügt über eine Strombelastbarkeit von 600 mA (Senke/Quelle). Er enthält einen Low-Drop-Linearregler, der die Versorgungsspannung für sowohl Low-Side- als auch High-Side-Gate-Treiber über eine Bootstrap-Schaltung erzeugt. Das Bauteil bietet eine Unterspannungssperre (UVLO) auf sowohl Low-Side- als auch High-Side-Bereichen, wodurch verhindert wird, dass die Leistungsschalter in einem niedrigen Wirkungsgrad oder unter gefährlichen Bedingungen betrieben werden.Merkmale
- Große Betriebsspannung von 5,5 V bis 75,0 V
- 600 mA Senken-/Quellstrom-Fähigkeit
- 3,3 V und 5,0 V Steuerlogik
- Zwei Eingangsstrategien
- ENx/INx mit einstellbarer Totzeit-Generierung
- INHx/INLx mit Verriegelung
- Angepasste Laufzeitverzögerung für alle Kanäle
- Sehr kurze Laufzeitverzögerung von 40 ns
- Integrierte Bootstrap-Dioden
- 12 V LDO-Linearregler (50 mA max.)
- Eingebettete VDS -Überwachung für jeden externen MOSFET
- Überstrom-Komparator
- UVLO- und Übertemperaturschutz
- Standby-Modus für einen Betrieb mit geringem Stromverbrauch
- Betriebstemperaturbereich: -40 °C bis +125 °C
- VFQFPN24-Gehäuse von 4 mm x 4 mm
Applikationen
- Heimautomatisierung
- Haushaltsgeräte
- E-Bikes
- Elektrowerkzeuge
- Lüfter und Pumpen
- Industrieautomatisierung
- Textilmaschinen
- Spiele und Konsolen
Videos
Blockdiagramm
Typische Applikations-Schaltung
Veröffentlichungsdatum: 2020-11-13
| Aktualisiert: 2024-12-30
