STMicroelectronics LM2904B Dual-Operationsverstärker mit geringem Stromverbrauch
Der STMicroelectronics LM2904B Dual-Operationsverstärker mit geringem Stromverbrauch verfügt über zwei unabhängige, hochverstärkende Operationsverstärker mit einer intern integrierten Frequenzkompensation. Diese Bauteile sind speziell für Automotive- und Industrie-Steuerungssysteme ausgelegt. Diese Schaltung wird über ein einzelnes Netzteil über einen großen Spannungsbereich betrieben. Der LM2904B von STMicroelectronics bietet einen garantierten Versorgungsspannungsbetrieb von bis zu 36 V. Die niedrige Stromversorgungs-Drain ist von der Höhe der Versorgungsspannung unabhängig. Zu den Applikationsbereichen gehören Wandler-Verstärker, DC-Verstärkungsblöcke und alle herkömmlichen Operationsverstärker-Schaltungen, die jetzt leichter in einzelne Stromversorgungssysteme implementiert werden können. Diese Schaltungen können direkt von den Standard-5V, die in Logik-Systemen verwendet werden, versorgt werden. Dadurch wird die erforderliche Schnittstellenelektronik schnell bereitgestellt, ohne dass eine zusätzliche Stromversorgung erforderlich ist. Im linearen Modus enthält der Gleichtakt-Eingangsspannungsbereich Erdung und die Ausgangsspannung kann auch mit der Masse schwingen, selbst bei einer Einzelversorgung.Merkmale
- Betriebsversorgungsspannung: bis zu 36 V
- Intern integrierte Frequenzkompensation
- Große DC-Spannungsverstärkung: 100 dB
- Große Bandbreite (Verstärkungsfaktor Eins): 1,2 MHz (temperaturkompensiert)
- Sehr niedriger Versorgungsstrom/Verstärker, grundsätzlich unabhängig von der Versorgungsspannung
- Niedriger Eingangsruhestrom: 20 nA (temperaturkompensiert)
- Niedriger Eingangs-Offsetstrom: 2 nA
- Eingangsgleichtaktspannungsbereich umfasst die negative Schiene
- Differential-Eingangsspannungsbereich entspricht der Versorgungsspannung
- Großer Ausgangsspannungshub von 0 V bis VCC -1,5 V
Applikationen
- Telekommunikationsanlagen
- Leistungsmanagement
- Industrieapplikation
- Fahrzeuganwendungen
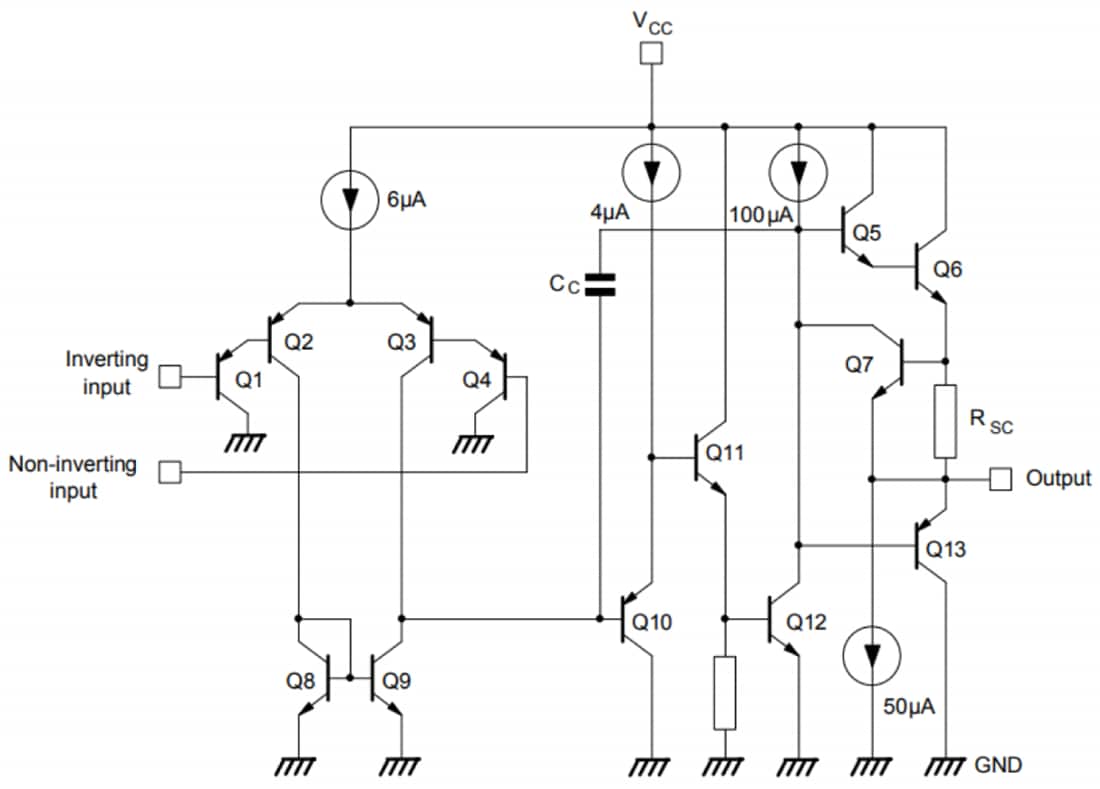
Schaltplan
Veröffentlichungsdatum: 2021-07-27
| Aktualisiert: 2022-03-11
