STMicroelectronics IPS1025H, IPS1025H-32 und IPS1025HF Switch-ICs
Die Switch-ICs der Baureihen IPS1025H, IPS1025H-32 und IPS1025HF von STMicroelectronics sind Einzel-High-Side-Switch-ICs, die kapazitive, ohmsche oder induktive Lasten ansteuern, die auf einer Seite mit der Masse verbunden sind. Diese Switch-ICs verfügen über einen sehr niedrigen RDS-ON (≤ 25 mΩ bis zu TJ = 125 °C), wodurch die ICs für Applikationen mit einem Betriebsdauerstrom von bis zu 2,4 A/5,6 A geeignet sind. Die Switch-ICs der Baureihen IPS1025H, IPS1025H-32 und IPS1025HF verfügen über einen Gehäuse-Übertemperaturschutz, einen Schutz gegen Unterbrechung der Erdung, einen VCC-Überspannungsschutz und eine Unterspannungssperre. Diese Switch-ICs enthalten zwei verschiedene Sätze von Aktivierungsschwellenwerten und Begrenzungsstufen (IPKH, ILIMH und IPKL, ILIML) für den Smart-Antrieb von kapazitiven Lasten. Die Switch-ICs der Baureihen IPS1025H, IPS1025H-32 und IPS1025HF werden in programmierbaren Logiksteuerungen, Verkaufsautomaten, numerischen Steuerungsmaschinen und Industrie-PC-Peripherie-Ein-/Ausgangs-Applikationen verwendet.Merkmale
- Betriebsversorgungsspannungsbereich: 8 V bis 60 V
- Smart-Antrieb von kapazitiver Last
- Unterspannungssperre
- VCC Überspannungsschutz
- Diagnose-Pin für Übertemperaturereignis
- Schnelle Entmagnetisierung induktiver Lasten
- Überlast- und Übertemperaturschutz
- Gehäuse-Übertemperaturschutz
- Diagnose-Pin für Überlastungsereignis
- Erdungsabschaltschutz
- Zur Erfüllung der Anforderungen gemäß IEC 61000-4-2, IEC 61000-4-4, IEC 61000-4-5 ausgelegt
- PowerSSO-24
Applikationen
- Speicherprogrammierbare Steuerung
- Industrieller PC-Peripherie-Ein-/Ausgang
- Numerische Steuerungsmaschinen
- Universal-High-Side-Schalter
- Verkaufsautomaten
Datenblätter
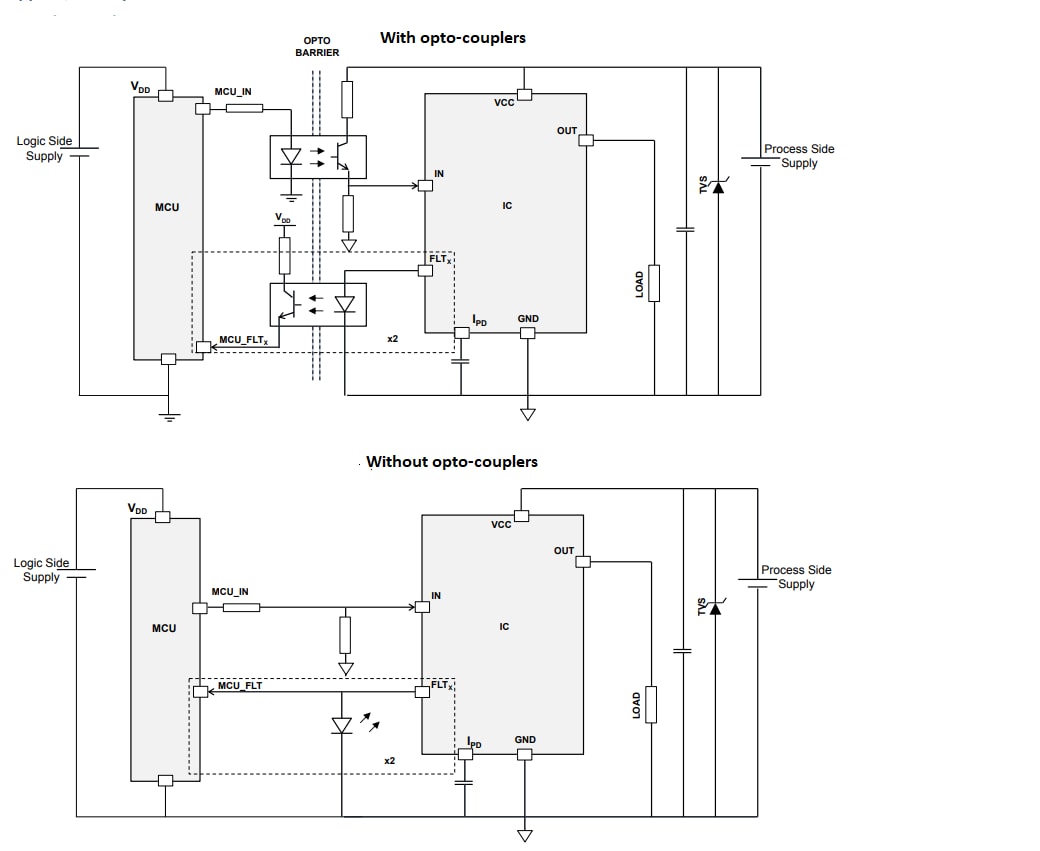
Blockdiagramm
Diagramm typischer Applikationen
Veröffentlichungsdatum: 2022-04-19
| Aktualisiert: 2025-04-07
