Renesas Electronics ISL78083 Automotive-Kamera-Leistungsmanagement-IC

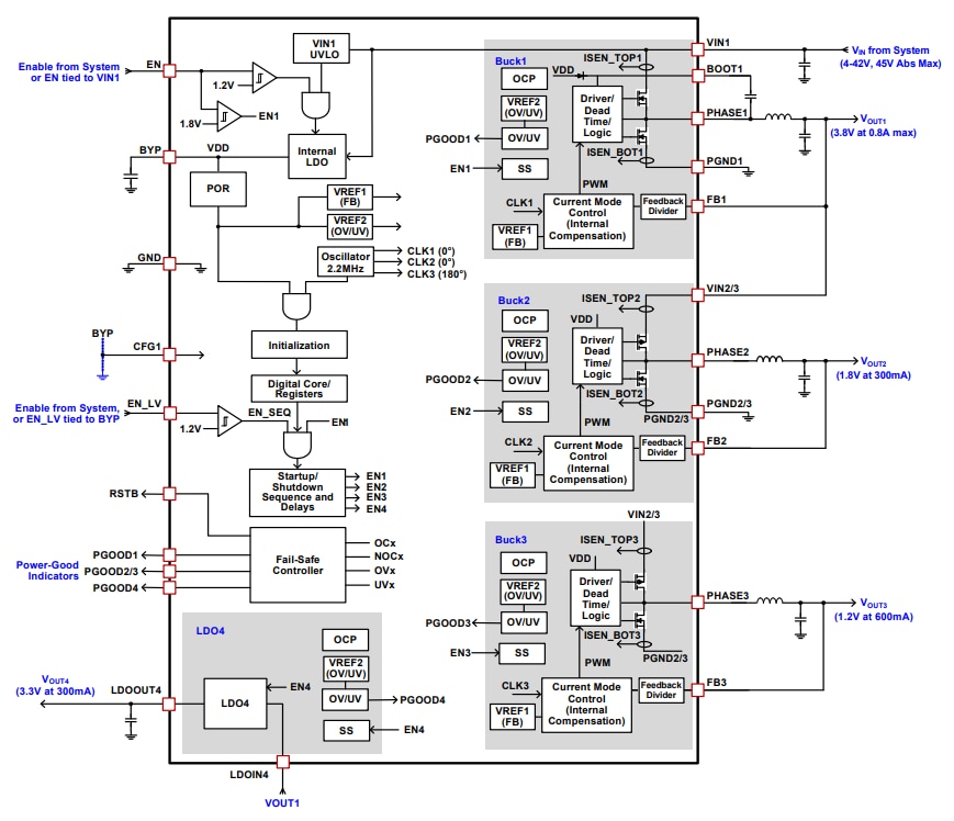
Der Renesas Electronics  ISL78083 Automotive-Kamera-Leistungsmanagement-IC  ist ein vielseitiger Leistungs-IC mit mehreren Schienen. Er verfügt über einen primären synchronen Hochspannungs-Abwärtsregler, zwei sekundäre synchrone Niederspannungs-Abwärtsregler und einen LDO-Regler. Darüber hinaus bietet das Bauteil vier Überspannungs- und Unterspannungsüberwachungen, drei Power-Good-Anzeigen und eine Reset-Ausgangs-/Fehleranzeige. Zur Begrenzung von Ausfällen infolge gemeinsamer Ursache enthält der ISL78083 eine zweite Referenz für die OV-/UV-Überwachungen, die unabhängig von der Referenz der Regler ist.

Merkmale

  • VIN -Betriebsbereich von 4,0 V bis 42 V mit einem Startbereich von 4,5 V bis 42 V
  • Feste Schaltfrequenz: 2,2 MHz mit optionaler Pseudo-zufälliger Frequenzspreizung
  • Drei synchrone Abwärtswandler mit interner Kompensation und einem LDO
    • BUCK1-Ausgangsbereich: 3,3 V bis 5,05 V
    • BUCK2-Ausgangsbereich: 1,0 V bis 3,3 V
    • BUCK3-Ausgangsbereich: 1,0 V bis 3,3 V
    • LDO4-Ausgangsbereich: 2,8 V bis 3,4 V
  • Ausgangs-UV-/OV-Schwellenwerte, OTP: ±4 %, ±6 %, ±8 %, ±12 %
  • Einschalt-/Ausschaltsequenz und Verzögerung des OTP
  • Optionale Ausgangsentladung auf Buck2, Buck3 und LDO4
  • Strom bei VIN -Eingang bei Abschaltung: < 1 µA (typisch)
  • Schutzfunktionen
    • Eingangsspannungs-UVLO
    • Ausgangs-OV/-UV
    • Positive und negative Strombegrenzungen auf Bucks
    • Überstromschutz auf internen und Ausgangs-LDOs
    • Ausfallsicherer Controller
    • CRC von OTP-Registern
    • OTP-Hiccup- oder Latch-Off-Fehlerreaktion

Applikationen

  • Rück- und Rundumsicht-HD-Automotive-Kameras
  • Fahrerüberwachungskameras
  • HD-Dashcam

Blockdiagramm

Blockdiagramm - Renesas Electronics ISL78083 Automotive-Kamera-Leistungsmanagement-IC

ISL78083 Automotive-PMIC

Renesas Electronics ISL78083 Automotive-Kamera-Leistungsmanagement-IC
Veröffentlichungsdatum: 2020-01-14 | Aktualisiert: 2024-04-15