Renesas Electronics ISL68239 12-Phasen-PWM-Controller

Die 12-Phasen-PWM- Controller ISL68239 von Renesas Electronics bieten einen dreifachen Digital-Ausgang, mehrphasig (X+Y+Z ≤12) mit Unterstützung für PmBus v1.3/AVSBus-Schnittstellen. Das Bauteil kann beliebige Phasenzuordnungen für bis zu zwölf Phasen über die drei Ausgänge (X, Y und Z) unterstützen. Aufgrund der erweiterten Leistungsdichte und der Unterstützung der PmBus v1.3 Schnittstelle kann das Bauteil alle anspruchsvollen Anforderungen an die Stromversorgung erfüllen.

Darüber hinaus ergänzt der ISL68239 mit AVSBus den PmBus, indem er eine gemeinsame HochgeschwindigkeitsSchnittstelle bereitstellt, um die Punkt-zu-Punkt-Kommunikation zwischen Controller und Last zu beschleunigen, die Prozessorspannung statisch und dynamisch zu steuern und so ein ausgewogenes, energieeffizientes Design zu liefern.

Der Renesas ISL68239 verwendet das proprietäre digitale, synthetische Strommodulationsschema von Renesas, um die am besten geeignete Kombination aus Einschwingverhalten, einfacher Abstimmung und Wirkungsgrad über den gesamten Lastbereich zu erreichen. Diodenemulation und automatische Phasen-Add/Drop-Funktionen ermöglichen den maximalen Wirkungsgrad des Wechselrichters unabhängig von den Lastbedingungen. Mit der intuitiven Software PowerNavigator™ kann das Bauteil konfiguriert und überwacht werden.

Merkmale

  • Erweitertes lineares digitales Modulationsschema
    • Automatischer Phasenzusatz/-abfall mit PFM-Modus für ausgezeichnetes Last- vs. Wirkungsgrad-Profil
    • Dual-Edge-Modulation mit optionaler Diodenbremsung für schnelleres Einschwingverhalten
    • Hervorragende VOUT-Betriebsverhalten
    • Synthetische Stromsteuerung mit Nulllatenz für hervorragenden Hochfrequenz-Stromausgleich
  • Flexible Phasenzuordnung von 0 bis 12 Phasen pro Ausgang
  • Betrieb mit einer Schaltfrequenz bis zu 2 MHz für Designs mit hoher Dichte
  • Kompatibel mit SMBus/PmBus v1.3
  • Die differenzielle Fernspannungserfassung unterstützt die Genauigkeit des geschlossenen Regelkreises von ±0,5 % über Last, Leitung und Temperatur
  • Sehr genaue Stromsensoren für eine hervorragende Last- und Leitungsregelung und genaue OCP
    • Unterstützt den gesamten Bereich von Renesas SPS-Bauteilen (Smart Power Stage)
  • Umfassendes Fehlermanagement ermöglicht hochzuverlässige Systeme
    • Impulsweise (pro Phase) und gesamte Ausgangsstrombegrenzung
    • Statusaufzeichnung in der Black Box mit erster Fehleranzeige
  • Intuitive Konfiguration mit der PowerNavigator-Software
  • Bis zu 16 Benutzerkonfigurationen im nichtflüchtigen Speicher (NVM) des Geräts gespeichert

Applikationen

  • DDR-Speicherlösungen
  • Künstliche Intelligenz/Beschleunigerkarten (FPGA, ASIC)
  • Netzwerkausrüstung
  • Server-/Speichergeräte
  • Tele-/Datenkommunikations-Geräte
  • Point-of Last-Stromversorgung (Speicher, DSP, ASIC, FPGA)

Technische Daten

  • Eingangsspannung von 4,5 V bis 18 V
  • Ausgangsspannung von 0 V bis 3,05 V
  • Betriebstemperaturbereich von -40 bis +85 °C

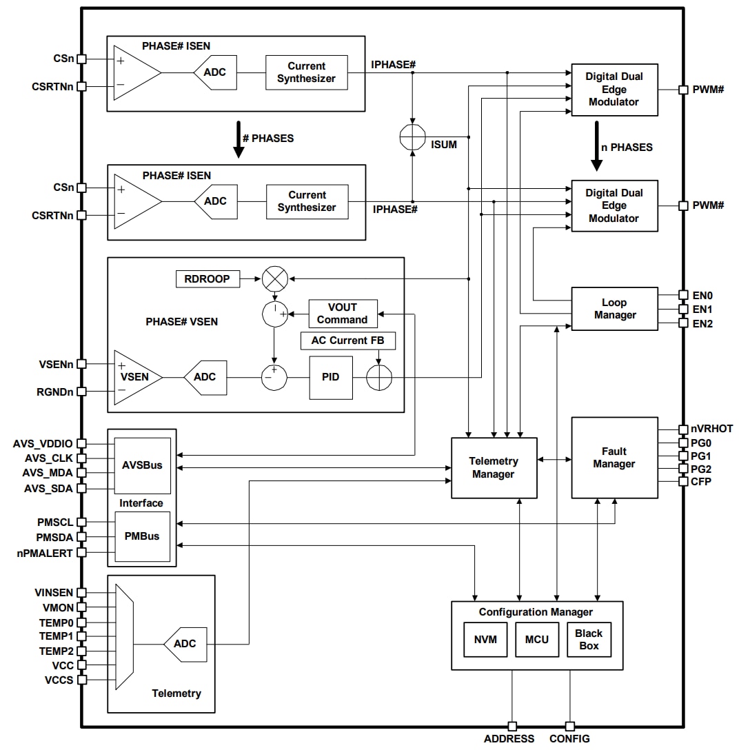
Blockdiagramm

Blockdiagramm - Renesas Electronics ISL68239 12-Phasen-PWM-Controller
Veröffentlichungsdatum: 2025-09-15 | Aktualisiert: 2026-02-05