Qorvo CMD270P3 Rauscharmer 4- bis 8-GHz-Verstärker

Der rauscharme 4- bis 8-GHz-Verstärker CMD270P3 von Qorvo ist ein Breitband-MMIC in einem bleifreien Kunststoffgehäuse mit den Abmessungen 3 mm x 3 mm für die Oberflächenmontage. Der CMD270P3 von Qorvo eignet sich hervorragend für Kommunikationssysteme, bei denen eine kleine Größe und ein geringer Stromverbrauch erforderlich sind. Das Breitband-Bauteil liefert eine Gain von mehr als 16 dB mit einem entsprechenden 1-dB-Ausgangs-Kompressionspunkt von +18 dBm und einem Rauschfaktor von 1,7 dB. Der CMD270P3 ist ein 50Ω angepasstes Design, das externe DC-Blöcke und HF-Anschluss-Anpassung überflüssig macht.

Merkmale

  • Extrem niedriger Rauschfaktor
  • Breitband-Leistung mit hoher Gain
  • Einzelversorgungsspannung: +4,0 V bei 60 mA
  • Bleifrei (RoHS-konform)
  • 3 mm x 3 mm QFN-Gehäuse

Applikationen

  • Elektronische Kriegsführungssysteme (EW)
  • C-Band-Radar
  • Raumfahrt
  • Satellitenkommunikation (Satcom)
  • Phasige Arrays

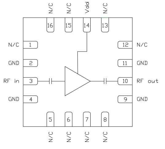
Blockdiagramm

Blockdiagramm - Qorvo CMD270P3 Rauscharmer 4- bis 8-GHz-Verstärker
Veröffentlichungsdatum: 2020-03-24 | Aktualisiert: 2024-08-20