ams OSRAM SPL PL90AT03 Radiale T1-3/4-Laserdiode

Die ams OSRAM SPL PL90AT03 radiale T1-3/4-Laserdiode liefert eine Spitzenleistung von 75 W für 3D-Sensor-, LiDAR- und TOF-Applikationen. Die SPL PL90AT03 Diode eignet sich hervorragend für kurze Laserimpulse von 1 ns bis 100 ns. Das Bauteil verfügt über eine 110 nm-Öffnung, die zu einer schmalen Emissionsbreite führt. Die ams OSRAM SPL PL90AT03 Diode ist in einem kostengünstigen Kunststoffgehäuse für Applikationen mit hohem Volumen untergebracht.

Merkmale

  • Laser-Wellenlänge: 905 nm
  • Öffnungsgröße: 110 nm
  • Geeignet für kurze Laserimpulse von 1 ns bis 100 ns
  • Kostengünstiges Kunststoffgehäuse für hochvolumige Applikationen
  • Spitzenleistung: 75 W

Applikationen

  • 3D-Sensorapplikationen
  • Zugangskontrolle und Sicherheit
  • Haushaltsgeräte und Tools
  • Fabrikautomatisierung
  • Heim- und Gebäudeautomatisierung
  • Robotik

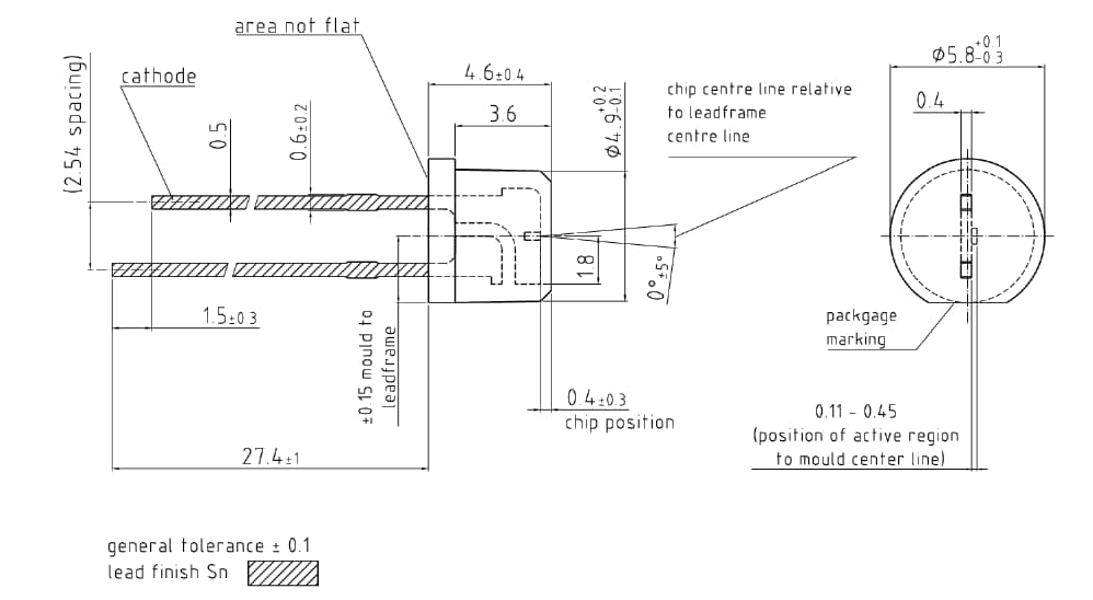
Abmessungen (mm):

Technische Zeichnung - ams OSRAM SPL PL90AT03 Radiale T1-3/4-Laserdiode

Videos

Veröffentlichungsdatum: 2023-03-20 | Aktualisiert: 2023-08-31