Omron Industrial Automation MK-S General Purpose Relays

Omron MK-S General Purpose Relays are exceptionally reliable general purpose relays designed with a lockable test button. These relays feature an LED indicator, diode surge suppression, varistor, reverse polarity, and alternate wiring styles. The MK-S general purpose relays have built-in mechanical indicators that enable the checking of contact operation. For models with latching lever, two modes can be used for checking. These relays are ideal for operation checks in relay sequence circuits.

Features

  • Built-in mechanical indicator enables checking contact operation
  • Two modes can be used to check circuits for models with latching lever
  • Designed for operation checks in relay sequence circuits
  • RoHS compliant
  • UL and IEC certification
  • 2 Form C relay contact form
  • LED indicator

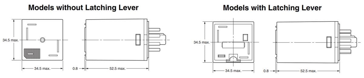
Dimensions (mm)

Mechanical Drawing - Omron Industrial Automation MK-S General Purpose Relays

Specifications

  • Coil voltage
    • 12VAC to 240VAC
    • 12VDC to 110VDC
  • 10A contact current rating
  • 9.6mA to 110mA coil current
Veröffentlichungsdatum: 2009-05-06 | Aktualisiert: 2022-03-11