NXP Semiconductors TJA144x Automotive-CAN-FD-Transceiver

NXP Semiconductors TJA144x Automotive-CAN-FD-Transceiver bieten eine Schnittstelle zwischen einem Controller-Area-Network (CAN) oder flexiblen CAN-Datenraten(FD)-Protokoll-Controller und dem physischen Zweidraht-CAN-Bus. Die TJA144x-Ausführungen von NXP umfassen den TJA1441 (Basic-CAN), TJA1442 (Standby-Modus-CAN), TJA1443 (Schlafmodus-CAN) und TJA1448 (Zweikanal-Standby-Modus-CAN). Alle Ausführungen ermöglichen eine zuverlässige Kommunikation in der schnellen CAN-FD-Phase bei Datenraten von bis zu 5 MBit/s.

Der TJA144x ist als einfacher Ersatz für klassische CAN- und CAN-FD-Hochgeschwindigkeits-Transceiver ausgelegt. Die Bauteile bieten eine Pin-Kompatibilität und sind zur Vermeidung von Änderungen des Hardware- und Software-Designs ausgelegt. Diese Funktionen ermöglichen eine einfache Nachrüstung des TJA144x auf bestehende Applikationen.

Die TJA144x Automotive-CAN-FD-Transceiver von NXP sind AEC-Q100 Klasse 0 qualifiziert und sind für Hochtemperaturapplikationen verfügbar, die einen Betrieb bei einer Umgebungstemperatur von 150 °C unterstützen.

Merkmale

  • HS-CAN und CAN-FD von bis zu 5 MBit/s
  • Konform mit ISO 11898-2:2016 und SAE J2284-1 bis -5 und SAE J1939-14
  • Vollständig interoperabel mit klassischen CAN- und CAN-FD-Hochgeschwindigkeits-Transceivern
  • VeLIO-konform
  • AEC-Q100 Klasse 1 qualifiziert (Umgebungstemperatur = 125 °C)
  • AEC-Q100 Klasse 0 verfügbar (Umgebungstemperatur = 150 °C) (TJR144x)
  • Hervorragende ESD-Robustheit von ±8 kV bei HBM gemäß IEC 61000-4-2
  • Erhältlich in SO- und HVSON-Gehäuse
  • Robustes Design mit Selbstdiagnosefunktionen
  • Lückenfreies, vorhersehbares und ausfallsicheres Verhalten über den gesamten Bereich von Produktbegrenzungswerten
  • Übertemperaturschutz
  • Für 20PPB ausgelegt
  • Sehr umweltfreundliches Produkt (RoHS-konform)
  • Pin-zu-Pin- und Software-kompatibel mit HS-CAN-Produkten der älteren Generation von NXP

Applikationen

  • Karosserieelektronik und Komfort
  • Konnektivität
  • Infotainment und IVE
  • Antriebsstrang und Fahrzeugdynamik
  • Fahrzeugnetzwerke
  • Industrie

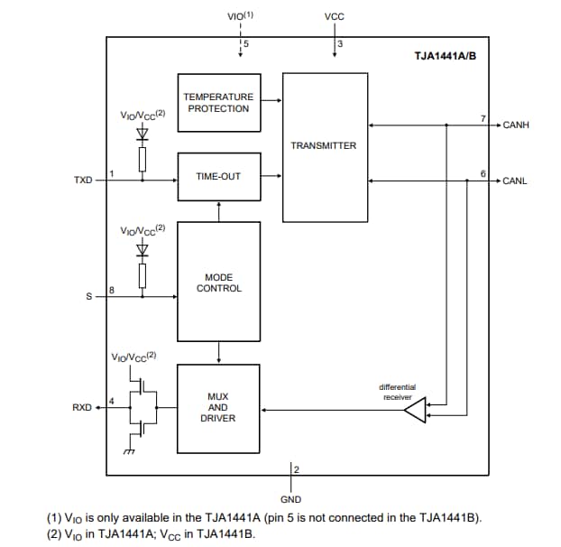
TJR1441 Blockdiagramm

Blockdiagramm - NXP Semiconductors TJA144x Automotive-CAN-FD-Transceiver

TJR1442 Blockdiagramm

Blockdiagramm - NXP Semiconductors TJA144x Automotive-CAN-FD-Transceiver

TJR1443 Blockdiagramm

Blockdiagramm - NXP Semiconductors TJA144x Automotive-CAN-FD-Transceiver

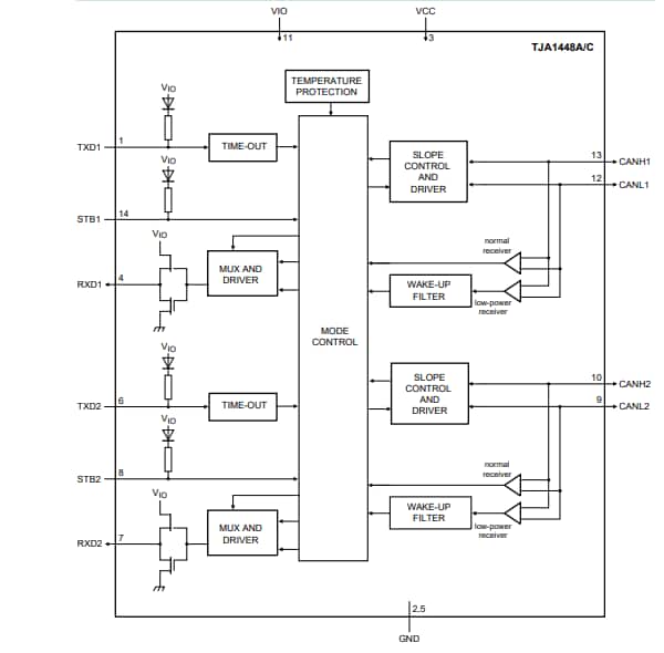
TJR1448 Blockdiagramm

Blockdiagramm - NXP Semiconductors TJA144x Automotive-CAN-FD-Transceiver
Veröffentlichungsdatum: 2021-02-10 | Aktualisiert: 2024-09-09