Murata Electronics PicoBK™ MYRG DC/DC-Wandler

Murata Electronics PicoBK™ MYRG DC/DC-Wandler bieten einen großen Eingangsspannungsbereich von 2,5 V bis 6 V, einen Ausgangsstrom von 2 A und einen Wirkungsgrad bis zu 94 %. Der synchrone  Mini-DC/DC-Abwärtswandler  integriert einen Induktor und einen Steuer-IC in einem winzigen Gehäuse mit den Maßen 3,1 mm x 4,7 mm mit einer Höhe von 1,3 mm.  Die Wandler verfügen über eine interne Spule, welche die Schaltung vereinfacht und das Rauschen und andere Betriebsprobleme aufgrund der Schaltungsverkabelung minimiert. Murata PicoBK MYRG DC/DC-Wandler verwenden eine Synchrongleichrichtung bei einer Betriebsfrequenz von 2,4 MHz. Die Baureihe eignet sich hervorragend für Notebook- und Tablet-PCs, Drucker und tragbare Navigationsgeräte (PNDs).

Merkmale

  • Synchrone Mini-DC/DC-Abwärtswandler
  • Integriert eine Induktivität und einen Steuerungs-IC in einem winzigen Gehäuse
  • Die interne Spule vereinfacht die Schaltung und reduziert das Rauschen und andere Betriebsprobleme aufgrund der Schaltungsverdrahtung
  • Großer Betriebsspannungsbereich
  • Kompatibel mit umweltfreundlichem Betrieb
  • Bleifrei
  • Halogenfrei
  • EU-RoHS-konform

Applikationen

  • Notebooks und Tablet-PCs
  • Drucker
  • PNDs

Technische Daten

  • Eingangsspannung: 2,7 V bis 6 V
  • Ausgangsspannung: 0,9 V bis VIN
  • Wirkungsgrad von bis zu 94 %
  • Ausgangsstrom: 2 A
  • Schaltfrequenz: 2,4 MHz (±15 %)
  • Gehäusegröße: 3,1 mm x 4,7 mm x 1,3 mm

Videos

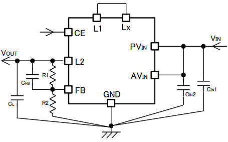
Typische Applikations-Schaltung

Applikations-Schaltungsdiagramm - Murata Electronics PicoBK™ MYRG DC/DC-Wandler

Typische Leistungsmerkmale

Leistungsdiagramm - Murata Electronics PicoBK™ MYRG DC/DC-Wandler
Veröffentlichungsdatum: 2020-01-20 | Aktualisiert: 2024-08-16