Mikroe Angle 2 Click (MIKROE-2338)
Das Angle 2 Click (MIKROE-2338) von MikroElektronika ist ein magnetischer Drehsensor, der auf dem ultraschnellen MA700 integrierten Winkelsensor-Schaltkreis basiert. Aufgrund einer hohen Datenausgangsrate von 500 kHz ist der MA700 IC in der Lage, zuverlässige absolute Winkelpositionsdaten bei Geschwindigkeiten von bis zu 100.000 U/min. bereitzustellen. Eine ideale Lösung für verschiedene berührungslose Winkelmess-Applikationen. Das Bauteil kann als mechanischer quadratischer Encoder-Ersatz für die Erkennung von BLDC-Motordrehzahlen in verschiedenen Robotik- und Fahrzeuganwendungen verwendet werden.Merkmale
- Genaue Erkennung von magnetischem Winkel bis zu 100.000 U/min.
- Gute Linearität und geringe Fehlermarge selbst bei Verwendung mit Off-Achsen-Magneten
- Latenzfreie Spinaxis-Technologie
- OTP-Speicher für die permanente Speicherung von Standardparametern usw.
Applikationen
- Lösung für verschiedene berührungslose Winkelmess-Applikationen
- Kann für Servoantriebe in verschiedenen Robotik- und Fahrzeuganwendungen verwendet werden
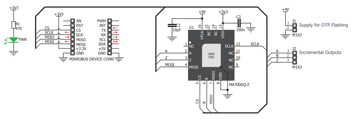
Schaltplan
Veröffentlichungsdatum: 2018-12-20
| Aktualisiert: 2022-08-08
