Atmel / Microchip ATmega1284P 8-Bit-Mikrocontroller
Der Microchip Technology ATmega1284P ist ein leistungsstarker RISC-basierter AVR® 8-Bit-Mikrocontroller, der leistungsstarke Befehle in einem einzigen Taktzyklus ausführt. In einem einzigen Taktzyklus werden Durchsätze nahe 1 MIPS pro MHz erzielt, was dem Entwickler den Vorteil bietet, das Bauelement hinsichtlich Stromverbrauch und Verarbeitungsgeschwindigkeit zu optimieren.Merkmale
- Leistungsstarker, stromsparender AVR® 8-Bit-Mikrocontroller
- Erweiterte RISC-Architektur
- Nichtflüchtige Programm- und Datenspeicher
- JTAG-Schnittstelle (IEEE std. 1149.1-konform)
- I/O und Gehäuse
- 32 programmierbare I/O-Leitungen
- 40-Pin-PDIP-, 44-Pin-TQFP- und 44-Pad-QFN-/MLF-Gehäuse
- Betriebsspannung: –1,8 bis 5,5 V
- Geschwindigkeitsklassen
- 0 bis 4 MHz bei 1,8 bis 5,5 V
- 0 bis 10 MHz bei 2,7 bis 5,5 V
- 0 bis 20 MHz bei 4,5 bis 5,5 V
- Stromverbrauch bei 1 MHz, 1,8 V, 25 °C
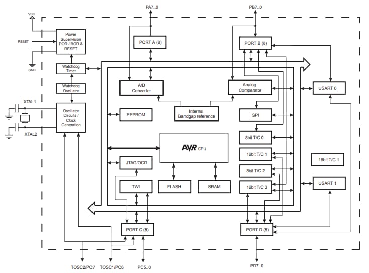
Blockdiagramm
Veröffentlichungsdatum: 2019-08-28
| Aktualisiert: 2023-04-27
