Littelfuse LF5346x-08TMR Omnipolare Magnetsensoren
Die omnipolaren Magnetsensoren LF5346x-08TMR von Littelfuse sind fortschrittliche Tunneling-Magnetwiderstands-Winkelsensoren (Tunneling Magnetoresistance, TMR), die für die hochpräzise Magnetfelderfassung in anspruchsvollen Applikationen ausgelegt sind. Diese LF5346x-08TMR Sensoren bieten einen omnipolaren Betrieb, was bedeutet, dass sie magnetische Nord- und Südpole mit gleicher Empfindlichkeit erkennen können, wodurch die Designflexibilität verbessert und die Systemintegration vereinfacht werden. Mit extrem geringem Stromverbrauch und hoher Empfindlichkeit eignen sich die LF53464-08TMR- und LF53466-08TMR-Modelle hervorragend für batteriebetriebene und kompakte Bauteile. Diese Sensoren von Littelfuse verfügen über einen großen Betriebsspannungsbereich und eine robuste Leistung über extreme Temperaturen, wodurch sich die Bauteile für den Einsatz in Fahrzeugsystemen, Industrieautomatisierung und Unterhaltungselektronik eignen. Ein kompakter Formfaktor und eine hohe Zuverlässigkeit unterstützen auch Applikationen wie Drehgeber, berührungslose Schalter und Positionserkennung in rauen Umgebungen.Merkmale
- TMR-Technologie
- XY-Achsen-Erfassungsrichtung
- Breiter Versorgungsspannungsbereich
- Differentieller Ausgang
- Hervorragende Wärmebeständigkeit
- 0 ° bis 360 ° Winkelmessung
- RoHS und REACH konform
- LF53464-08TMR
- Größere Luftspaltfähigkeit
- Arbeitet mit kleineren Magneten zur Kostensenkung
- LF53466-08TMR
- Zwei Brücken in einem Gehäuse
- Hochpräzise Messung
Applikationen
- Dreh- und lineare Positionsbestimmung
- Berührungslose Schalter
- Smart-Schlösser
- Deckelsensoren
- Industrieautomatisierung
- Robotik-Gelenkwinkel-Feedback
- Positionsverfolgung der Förderbahn
- Näherungserkennung in Maschinen
- Batteriebetriebene Geräte
- Tragbare Werkzeuge
- Wearables
- Smart-home-Geräte
- Winkelerkennungssysteme
- Robotik
- Automatisierung
- Automobilsysteme
- Gangpositionserkennung
- Pedalpositionserkennung
- Lenkwinkelüberwachung
- Unterhaltungselektronik
- Deckelverschlusserkennung in Laptops und Tablets
- Magnetische Dockingstationen
- Smart-Haushaltsgerätesteuerungen
Technische Daten
- LF53464-08TMR
- Bis zu 7 V Versorgungsbereich
- 340 mV typische Spitzenspannung
- Offsetspannung: ± 20mV/V
- 100 kΩ bis 190 kΩ Brückenwiderstandsbereich
- 200 G bis 800 G omnipolarer magnetischer Dynamikbereich
- 3.000 G maximales Magnetfeld
- 0,6 ° typischer Winkelfehler
- 4000 V maximale Human Body Model (HBM) ESD-Leistung
- -40 °C bis +85 °C Betriebstemperaturbereich
- LGA8L-Gehäuse
- LF53466-08TMR
- 1,0 V bis 5,5 V Versorgungsbereich
- 300 mV typische Ausgangsspitzenspannung
- 600 mV typische Ausgangs-Spitze-zu-Spitze-Spannung
- Offsetspannung: ±5 mV/V
- 3 kΩ bis 7 kΩ Brückenwiderstandsbereich
- 200 G bis 800 G omnipolarer magnetischer Dynamikbereich
- 4000 G maximales Magnetfeld
- 0,8 ° Typischer Winkelfehler
- Maximale ESD-Leistung
- 4.000 V Human-Body-Modell (HBM)
- 750 V Charged-Device-Modell (CDM)
- -40 °C bis +150 °C Betriebstemperaturbereich
- TSSOP8-Gehäuse
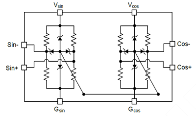
Funktionales Blockdiagramm
Videos
Veröffentlichungsdatum: 2025-05-29
| Aktualisiert: 2025-10-31
