Lattice Semiconductor CrossLink-NX™ FPGAs
Lattice Semiconductor CrossLink-NX™ FPGAs basieren auf der 28-nm-FD-SOI-Nexus-Plattform von Lattice. Die CrossLink-NX-FPGAs von Lattice verfügen über eine kleine Baugröße, Zuverlässigkeit und Leistungsfähigkeit. Die Bauteile eignen sich hervorragend für verschiedene Applikationen, einschließlich Embedded Vision. Zu den Applikationen gehören Sensor- und Display-Überbrückung, Sensoraggregation, Sensorduplizierung und KI-Inferenzierung am Edge.Merkmale
- Bis zu 75 % geringerer Stromverbrauch im Vergleich zu Konkurrenzprodukten
- Programmierbare Sperrrichtungs-Vorspannung durch FD-SOI ermöglicht die Strom- und Leistungsoptimierung
- 10x kleiner als die Konkurrenz
- Verfügt über das kleinste Gehäuse in jeder Dichte von 16 mm2 bis 100 mm2
- Bietet mehrere Gehäuseoptionen für ein kompaktes Systemdesign
- Hohe Zuverlässigkeit
- Das isolierte Gate der FD-SOI-Technologie verfügt über einen kleineren Bereich, der anfällig für partikelinduzierte Soft-Fehler ist, was zu einer 100-mal besseren Soft-Fehlerrate (SER) führt.
- Hohe Leistungsfähigkeit
- MIPI D-PHY von 2,5 GBit/s, PCIe von 5 GBit/s, Differential-I/O von 1,5 GBit/s bieten die größte Kapazität für die Überbrückung von Hochgeschwindigkeits-Schnittstellen für eine große Auswahl von Applikationen
- Extrem schnelle I/O-Konfiguration (3 ms)
- Vollständige Bauteilkonfiguration (8 ms bis 14 ms)
- Die meisten Embedded Speicher pro LC (170 Bit/LC) beschleunigen die KI-Verarbeitung
Videos
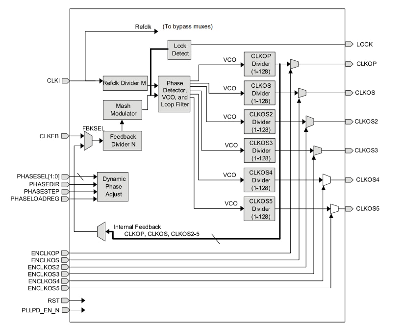
Universal-PLL-Diagramm
Veröffentlichungsdatum: 2020-03-17
| Aktualisiert: 2026-05-21
