KEMET FLLD-Baureihe Hochleistungs-EMI-Filter
Die FLLD-Baureihe Hochleistungs-EMI-Filter von KEMET Electronics sind kompakte Universalfilter mit Reihenklemmen für eine schnelle Montage in Industrieanlagen. Die FLLD-Baureihe verfügt über eine optimierte Geometrie mit hohen Einfügungsdämpfungseigenschaften.Applikationen
- Schaltnetzteile
- Servoantriebe
- Robotik
- Regenerative Antriebe
- Akkuladegeräte
- Wechselrichter
- Wandler
- Leistungsantriebe
- USV-Maschinen
- Prozessautomatisierung
- Weitere Industrieapplikationen
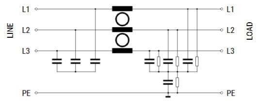
FLLD3 Typischer Applikationsschaltplan
FLLD4 Typischer Applikationsschaltplan
Veröffentlichungsdatum: 2018-02-15
| Aktualisiert: 2023-08-29
