IXYS XPT™-GenX5™-Trench-IGBTs

IXYS XPT™-GenX5™-Trench-IGBTs sind mit einer proprietären XPT-Dünnschicht-Wafer-Technologie und einem hochmodernen Trench-IGBT-Verfahren der 5. Generation (GenX5) ausgelegt. Diese Bauteile verfügen über einen reduzierten thermischen Widerstand, geringe Energieverluste, ein schnelles Schalten, einen niedrigen Nachlaufstrom und hohe Stromdichten. Die XPT-GenX5-IGBTs verfügen über quadratische Sperrvorspannungs-sicheren Betriebsbereiche (RBSOA) und eine Durchschlagspannung von 650 V, wodurch sie sich hervorragend für hartschaltende Applikationen ohne Snubber eignen. Darüber hinaus enthalten diese IGBTs einen positiven Kollektor-zu-Emitter-Temperaturkoeffizient der Spannung, der Designern den Einsatz mehrerer parallelgeschalteten Bauteilen zur Erfüllung der Hochstromanforderungen ermöglicht. Die niedrige Gate-Ladung dieser Bauteile trägt zur Reduzierung der Gate-Treiber-Anforderungen und Schaltverluste bei.

Die XPT-GenX5-Trench-IGBTs von IXYS sind in TO-220-3- (IXYP60N65A5) und TO-247-3-Gehäusen (IXYH90N65A5 und IXYH120N65A5) mit einem großen Sperrschichttemperaturbereich von -55 °C bis +175 °C verfügbar.

Merkmale

  • Niedrige VCE(sat), niedriges Eon/Eoff
  • Optimiert für Niederfrequenz-Hochstromschaltung
  • Hohe Stromstoßbeständigkeit
  • Quadratische Sperrvorspannungs-sichere Betriebsbereiche (RBSOA)
  • Positiver Temperaturkoeffizient von VCE(sat)
  • Niedrige Gate-Drive-Anforderungen
  • Internationale Standardgehäuse

Applikationen

  • Wechselrichter
  • USV
  • Motorantriebe
  • SNT
  • PFC-Schaltungen
  • Akkuladegeräte
  • Schweißgeräte
  • Lampen-Vorschaltgeräte

Technische Daten

  • Kollektor-Emitter-Spannung (VCES): 650 V
  • Kollektor-Emitter-Sättigungsspannung (VCE(sat)): 1,35 V
  • Kollektorstrom bei 25 °C (IC25)
    • IXYP60N65A5: 134A
    • IXYH90N65A5: 220A
    • IXYH120N65A5: 290A
  • Kollektorstrom bei 110 °C (IC110)
    • IXYP60N65A5: 60A
    • IXYH90N65A5: 90A
    • IXYH120N65A5: 120A
  • Stromabfallzeit (Tfi(typ))
    • IXYP60N65A5: 110ns
    • IXYH90N65A5: 160ns
    • IXYH120N65A5: 160ns
  • Sperrschichttemperaturbereich (TJ): -55 °C bis +175 °C
  • Gehäuse
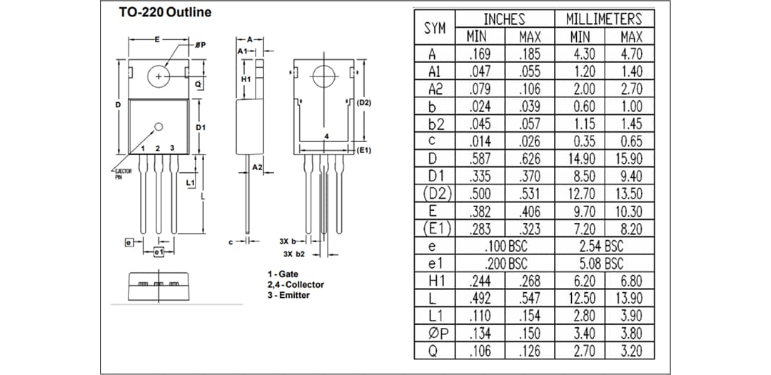
    • IXYP60N65A5: TO-220-3
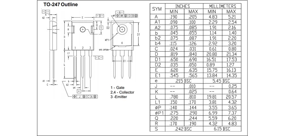
    • IXYH90N65A5: TO-247-3
    • IXYH120N65A5: TO-247-3

Pin-Bezeichnungen

IXYS XPT™-GenX5™-Trench-IGBTs

TO-220-3-Gehäuseumriss

Technische Zeichnung - IXYS XPT™-GenX5™-Trench-IGBTs

TO-247-3-Gehäuseumriss

Technische Zeichnung - IXYS XPT™-GenX5™-Trench-IGBTs
View Results ( 3 ) Page
Teilnummer Datenblatt Sättigungsspannung Kollektor-Emitter Kollektorgleichstrom bei 25 C Pd - Verlustleistung
IXYH90N65A5 IXYH90N65A5 Datenblatt 1.35 V 220 A 650 W
IXYH120N65A5 IXYH120N65A5 Datenblatt 1.35 V 290 A 830 W
IXYP60N65A5 IXYP60N65A5 Datenblatt 1.35 V 134 A 395 W
Veröffentlichungsdatum: 2021-09-09 | Aktualisiert: 2022-03-11