IXYS Sx02CSx Teccor® Empfindliche 1,25-A-SCRs
IXYS Sx02CSx Teccor® Empfindliche 1,25-A-SCRs bieten hervorragende unidirektionale Schalter für Phasenregelungsapplikationen, einschließlich Heizungs- und Motor-Drehzahlregelung. Die empfindlichen Gate-SCRs können mit Mikroverstärkern von Strom, wie sie von Messspulen, Näherungsschaltern und Mikroprozessoren geboten werden, einfach ausgelöst werden.Typische Applikationen sind kapazitive Entladungssysteme für Stroboskopleuchten und Gasmotorzündungen. Weitere Applikationen umfassen Steuerungen für Elektrowerkzeuge, Haushaltsgeräte/Braunware und Weißware.
Merkmale
- RoHs-konform
- Glaspassivierte Sperrschichten
- Spannungskapazität von bis zu 800 V
- Ableitvermögen von bis zu 20 A
Applikationen
- Kapazitive Entladungssysteme für Stroboskopleuchten und Gasmotorzündungen
- Steuerungen für Elektrowerkzeuge, Haushaltsgeräte/Braunware und Weißware.
Technische Daten
- 1,25 A IT(RMS)
- 800 V VDRM/VRRM
- 50 bis 200 uA IGT
- 60 °C/W Rth(JC)
Schaltplan
Einfache Testschaltung
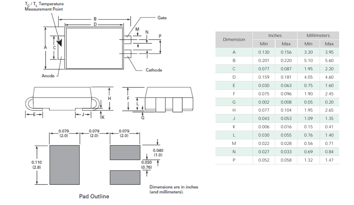
Gehäuseabmessungen-Compak (C-Gehäuse)
Veröffentlichungsdatum: 2021-09-10
| Aktualisiert: 2022-03-11
