IXYS IX9915 Niederspannungs-Fehlerverstärker
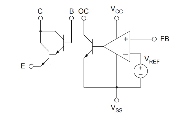
Die IX9915 Niederspannungs-Fehlerverstärker von IXYS enthalten einen Fehlerverstärker mit einer Präzisionsreferenz und einen Darlington-Transistor von 350 V in einem einzigen Gehäuse. Der Fehlerverstärker verfügt über einen Versorgungsspannungsbereich von 1,3 V bis 12,5 V über Temperatur. Der Darlington-Transistor bietet eine Durchschlagspannung von 350 V. Die integrierte Kombination aus einem 431-Shunt-Regler mit vier Anschlüssen und einem Hochspannungs-Darlington-Transistor eignet sich hervorragend für den Einsatz in Entlüfter-Steuerschaltungen in LED-Lampen.Merkmale
- Präzisionsreferenz, Fehlerverstärker und ein Darlington-Hochspannungstransistor in einem einzigen Gehäuse
- Referenz von 1,299 V ±1 % bei 25 ºC (±1,5 % bei -40 ºC bis +85 ºC)
- Versorgungsspannungsbereich des Fehlerverstärkers: 1,3 V bis 12,5 V über Temperatur
- Durchschlagspannung des Darlington-Transistors: 350 V
Applikationen
- LED-Lampen
- Niederspannungs-Netzteil-Feedback
- AC/DC-Offline-Netzteile
- DC/DC-Wandler
Blockdiagramm
Veröffentlichungsdatum: 2019-12-20
| Aktualisiert: 2023-12-13
