Infineon Technologies XENSIV™ 60-GHz-Radar-MMIC
Der XENSIV™ 60-GHz-Radar-MMIC von Infineon Technologies ist ein voll integrierter Mikrowellen-Bewegungssensor mit optimierter Größe, einschließlich Antennen-in-Package (AIP) sowie integrierten Bewegungs- und Richtungsdetektoren. Die XENSIV 60-GHz-Radarsensoren bieten eine kleine Baugröße und einen geringen Stromverbrauch, und schaffen so innovative, intuitive Sensorfunktionen für viele Applikationen.Der XENSIV High-End-60-GHz-Radar-MMIC von Infineon verfügt über eine Übertragungs- und drei Empfangsantennen, die in mehreren Industrie- und Verbraucherapplikationen, einschließlich dem Google Pixel 4 Smartphone, verfügbar sind. Das Radar bietet einen FMCW-Betriebsmodus, der sich über eine extrem große Bandbreite von 5,5 GHz erstreckt und die Erkennung von Mikrobewegungen im mm-Bereich ermöglicht. Diese Funktionen ermöglichen eine fortschrittliche Radarerfassung, einschließlich Anwesenheitserkennung, Verfolgung, Erkennung von Vitalfunktionen und Gestensteuerung.
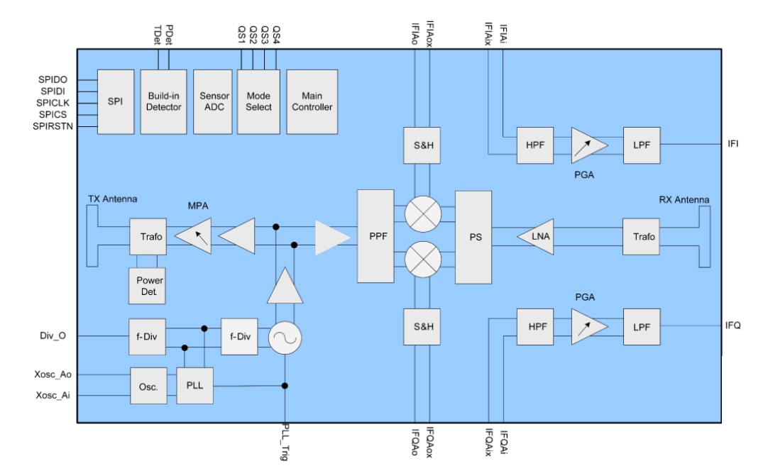
Der BGT60LTR11AIP 60-GHz-Doppler-Radarsensor verfügt über eine Sende- und eine Empfangsantenne. Der kleine Bewegungssensor enthält Antennen sowie Detektoren für die Bewegung und Bewegungsrichtung. Das Bauteil unterstützt mehrere Betriebsmodi, einschließlich eines vollständig autonomen Modus, der keinen Software- oder Hardware-design-in-Aufwand erfordert. Das BGT60LTR11AIP macht die Radartechnologie für jedermann zugänglich, da es auf Anwenderseite kein Know-how in den Bereichen HF, Antennendesign oder Radarsignalverarbeitung erfordert.
Radar hat sich als robuster Sensor für die Lokalisierung von Kurzstrecken in Überwachungs-, Beleuchtungs- und Smart-Haushaltsgeräten erwiesen. Außerdem wird das Radar zur Überwachung von Vitaldaten in der Unterhaltungselektronik, im Gesundheitswesen, bei der Fahrerassistenz und in Industrieapplikationen eingesetzt.
Merkmale
- Gehäusegröße: 3,3 mm x 6,7 mm x 0,56 mm
- 1Tx-1Rx-Antennen im Gehäuse (AIP) mit 80° einer halben Leistungsstrahlbreite (HPBW)
- Integrierter Bewegungsmelder
- Integrierter Richtungsmelder
- Mehrere Betriebsmodi, einschließlich eines vollständig autonomen Modus
- Einstellbare Leistungsparameter, wie z. B. Erkennungsempfindlichkeit, Haltezeit und Betriebsfrequenz
- Das Standard-FR4-Material kann für das PCB-Design verwendet werden
Applikationen
- Smart-Gebäude- und Smart-Home-Bauteile, wie z. B. Thermostate, Rauchmelder, Smart-Lautsprecher und andere Unterhaltungssysteme
- Intelligente Haushaltsgeräte (kleine Haushaltsgeräte und große Haushaltsgeräte), wie z. B. Serviceroboter, Staubsauger, Rasenmäher, Waschmaschinen und Küchengeräte
- Smart-Home-Sicherheits- und Alarmsysteme, einschließlich IP-Kameras
- Bildschirmbasierte Systeme, wie z. B. Fernseher, Laptops oder Tablets
- Beleuchtungssysteme und Beleuchtungssteuerung (hauptsächlich Innenbeleuchtung)
- Raumklimaanlage
- Automatisierte Türöffner
- Smart-Eingangszähler-Lösung
- Berührungslose Schalter
- Multikopter und Drohnen
Weitere Ressourcen
Videos
Blockdiagramm
