Espressif Systems ESP32-C3-AWS-ExpressLink Module & Dev Board

Espressif Systems ESP32-C3-AWS-ExpressLink Module and Development Board is an AWS IoT ExpressLink Solution to build connected devices powered by AWS IoT quickly.

The ESP32-C3-MINI-1-N4-A AWS IoT ExpressLink Module is based on the ESP32-C3 Wi-Fi® + Bluetooth 5 (LE) SoC. This combination delivers host MCUs with out-of-the-box, seamless AWS IoT connectivity while also implementing the AWS IoT ExpressLink specification. The ESP32-C3-MINI-1-N4-A provides a simple serial interface through which the host MCU gets connected to AWS IoT services, transforming any offline product into a Cloud-connected product.

The Espressif ESP32-C3-AWS-ExpressLink-DevKit is a development board based on the ESP32-C3-MINI-1 module. The board offers a pin layout compatible with the Arduino Zero development board, allowing it to be directly plugged in Arduino Zero or connected with other host boards and peripherals through jumpers.

Features

  • ESP32-C3 (Single-core, 32-bit RISC-V) SoC
  • 2.4GHz Wi-Fi and Bluetooth 5 (LE)
  • Comes with either a PCB antenna or an external antenna connector
  • Small form-factor of 13.2mm x 16.6mm
  • Regulatory certifications
  • Security
    • RSA-3072-based secure boot
    • AES-128-XTS-based flash encryption
    • Integrated digital signature peripheral

Required Equipment

  • ESP32-C3-AWS-ExpressLink-DevKit
  • USB 2.0 cable (Standard-A to Micro-B)
  • Computer running Windows, Linux, or macOS

Board Components

Infographic - Espressif Systems ESP32-C3-AWS-ExpressLink Module & Dev Board

Connections

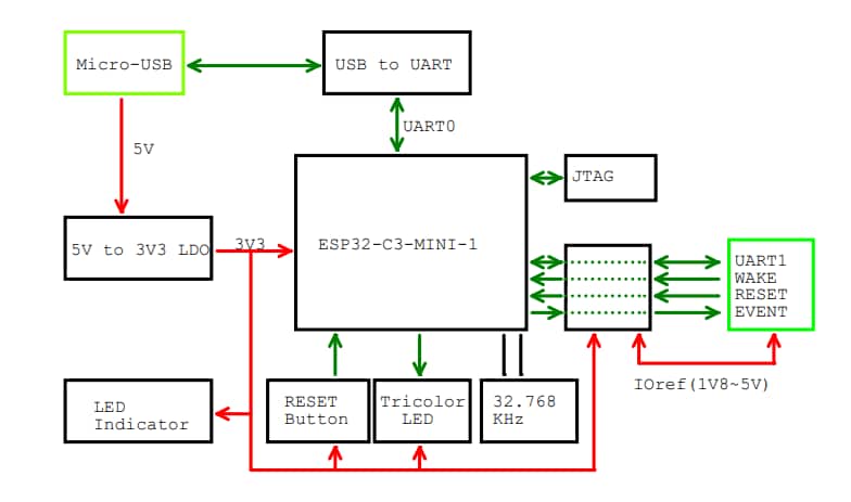
Block Diagram - Espressif Systems ESP32-C3-AWS-ExpressLink Module & Dev Board

Schematic

Schematic - Espressif Systems ESP32-C3-AWS-ExpressLink Module & Dev Board
Veröffentlichungsdatum: 2022-02-11 | Aktualisiert: 2022-03-11