Diodes Incorporated AP25810LQ USB Type-C-DFP-Controller und Leistungsschalter
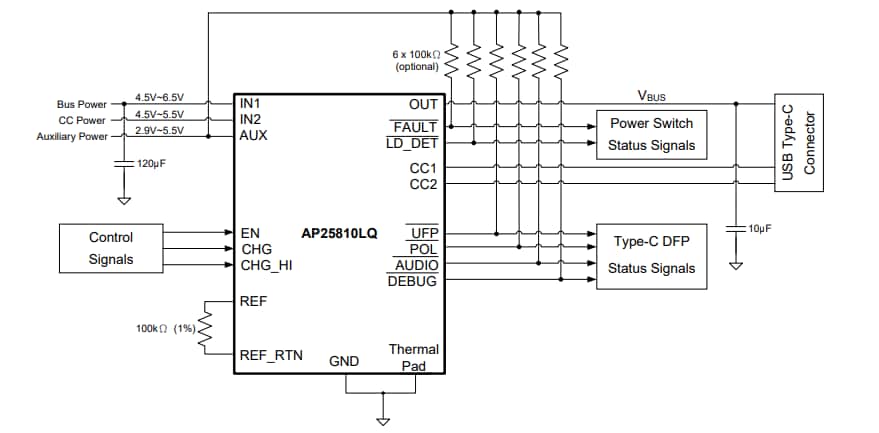
Der Diodes Incorporated AP25810LQ USB Type-C-DFP-Controller und Leistungsschalter ist zur Überwachung der USB Type-C-Konfigurationskanal(CC)-Leitungen ausgelegt, um zu bestimmen, ob ein USB-Bauteil angeschlossen ist. Wenn ein Upstream-Facing-Port(UFP)-Bauteil angeschlossen ist, versorgt der AP25810LQ den VBUS mit Strom. Das Bauteil kommuniziert über die CC-Durchgangsleitung die wählbare Stromquellenfähigkeit des VBUS an das UFP. Wenn das UFP mit einem elektronisch markierten Kabel angeschlossen wird, versorgt der AP25810LQ auch den Kabel-CC-Pin mit VCONN -Strom. Darüber hinaus erkennt der Schalter, ob USB Type-C-Audio- oder Debug-Zubehör angeschlossen sind.Der AP25810LQ Downstream-Facing-Port(DFP)-Controller von Diodes Inc mit einem integrierten USB-Leistungsschalter mit einer Nennleistung von 3 A und einem Stromverbrauch von weniger als 0,7 μA (typisch), wenn kein Gerät angeschlossen ist. Eine zusätzliche Stromeinsparung des Systems kann in den S4- und S5-Systemleistungszuständen erreicht werden, indem der UFP-Ausgang zur Deaktivierung der 5-V-Hochleistungsversorgung verwendet wird, wenn kein UFP angeschlossen ist. In diesem Modus kann das Bauteil von einer Hilfsversorgung (AUX) betrieben werden, die eine Niederspannungsversorgung (3,3 V) ist und typischerweise das System-μC in stromsparenden Zuständen (S4 und S5) versorgt.
Der AP25810LQ Leistungsschalter von 30 mΩ verfügt über zwei wählbare feste Strombegrenzungen, die mit den Typ-C-Strompegeln übereinstimmen. Der FAULT-Ausgang signalisiert, wenn sich der Schalter in einem Überstrom- oder Übertemperaturzustand befindet. Der LD_DET-Ausgang steuert das Leistungsmanagement zu mehreren Hochstrom-Typ-C-Anschlüssen in einer Umgebung, in der nicht alle Anschlüsse gleichzeitig einen Hochstrom (3 A) liefern.
Der AP25810LQ ist in einem umweltfreundlichen W-QFN3040-20-Gehäuse (Typ A1) mit freiliegendem PAD für eine verbesserte thermische Leistung untergebracht und ist RoHS-konform.
Merkmale
- USB Type-C Rev. 2.0-konformer DFP-Controller
- Erkennung von Anschluss/Trennung von Steckverbindern
- Leistungsanzeigefunktion: STD, 1,5 A oder 3 A auf CC
- Super-Speed-Polaritätsbestimmung
- VBUS -Applikation und -Entladung
- VCONN -Applikation zu elektronisch markierten Kabeln
- Audio- und Debug-Zubehör-Identifizierung
- 0,7 μA (typisch) IDDQ, wenn der Anschluss nicht angeschlossen ist
- Drei Eingangsstromversorgungsoptionen
- IN1: USB-Ladeversorgung
- IN2: VCONN -Versorgung
- AUX: Gerätestromversorgung
- Power-Wake-Funktion unterstützt einen niedrigen Stromverbrauch in System-Ruhe- (S4) und AUS-Zuständen (S5)
- High-Side-MOSFET: 30 mΩ (typisch)
- Programmierbarer ILIM: 1,7 A oder 3,4 A (±7,1 %)
- Anschluss-Leistungsmanagement ermöglicht eine Optimierung der Stromressourcen über mehrere Anschlüsse
- Überspannungsschutz für CC1-/CC2-Leitungen:
- Kontaktentladung: ±8 kV gemäß IEC 61000-4-2
- Luftspaltentladung: ±15 kV gemäß IEC 61000-4-2
- Thermisch effizientes Gehäuse mit niedrigem Profil
- Vollständig RoHS-konform und völlig bleifrei
- Halogen- und antimonfreies umweltfreundliches Bauteil
- Der AP25810LQ eignet sich für Fahrzeuganwendungen, die eine spezifische Änderungssteuerung erfordern; dieses Teil ist AEC-Q100-qualifiziert, PPAP-fähig und wird in IATF 16949-zertifizierten Anlagen hergestellt.
Applikationen
- USB-Typ-C-Host-Port in Notebook für Laden im Ruhezustand
- LCD-Monitor/Dockingstation und Ladeschalen
- USB-Typ-C-Wandladegeräte
Typische Applikations-Schaltung
Pin-Belegungen
Blockdiagramm
