Diodes Incorporated AL58263 Graustufen-PWM-Dimmer-LED-Treiber

Der Diodes Incorporated AL58263 Graustufen-PWM-Dimmer-LED-Treiber bietet eine Adaptive 16-Kanal-Konstantstrom-Graustufen-Pulsdichtemodulation (APDM). Die ADM-Technologie reduziert die nicht ideale IOUT-Verzerrung aufgrund einer nicht symmetrischen Einschwingzeit und verbessert die Aktualisierungsrate durch die effiziente Trennung der Rahmenwellenform. Der AL58263 unterstützt Fehlerdiagnosen, Stromverstärkungsregelung und Energiesparfunktionalität.

Der AL58263 von Diodes Inc wird über einen Eingangsspannungsbereich von 3 V bis 5,5 V, eine Ausgangskanalspannung von 15 V und einen schnellen 25-MHz-DCK-Eingang betrieben. Das Bauteil stellt bis zu 55 mA hochpräzisen Strom für jede LED-Kette bereit. Der Stromausgang jedes Kanals kann individuell über eine digitale Schnittstelle programmierbar sein. Ein externer Messwiderstand und ein globales 6-Bit-Stromsteuerungsregister können den Ausgangsstrom aller Kanäle einstellen.

Der AL58263 verfügt über integrierte Diagnosefunktionen und LED-Unterbrechungsschutz/Kurzschluss-Sicherung, einschließlich Fehlererkennung. Diese Fehlerergebnisse werden in einem Register zum Auslesen des MCUs gespeichert.

Der AL58263 ist in einem TSSOP-24EP-Gehäuse (Typ A1-B) ausgelegt und für den Einsatz im Umgebungstemperaturbereich von -40 °C bis +85 °C ausgelegt.

Merkmale

  • Eingangsspannung VDD von 3 V bis 5,5 V
  • Ausgangsstrombereich
    • 2 mA bis 55 mA/5 V, 2 mA bis 35 mA/3,3 V
    • ±0,1 % Ausgangsstrom-Regelungsfähigkeit
    • Globale 6-bit-Stromsteuerung von 12,5 % bis 200 %
  • 16 Konstantstrom-Ableitvorrichtungs-Ausgangskanal
    • 16-Bit-Graustufenauflösung mit adaptivem Impuls
    • Dichtemodulationssteuerung
    • Ausgangskanäle mit 15 V Nennspannung für lange LED-Ketten
    • Schnelles Einschwingverhalten - unterstützt externe Graustufentakte mit einer doppelten Edge bis zu 16 MHz
    • ±1,5 % (typisch) LED-Stromgenauigkeit zwischen Kanälen
    • ±3 % (typisch) LED-Stromgenauigkeit zwischen Chips
    • Nicht verschlüsselte Wellenform für LED-Hochleistungsapplikation
    • Auswahl des Graustufenzähler-Reset
    • Auswahl der Graustufen-Datensynchronisierung
  • Vollständig RoHS-konform und völlig bleifrei
  • Halogen- und antimonfreies umweltfreundliches Bauteil
  • Diagnose und Schutzfunktionen
    • Die Fehlererkennung umfasst LED-offen, LED-Kurzschluss, Ausgangsanschluss-Kriechverlust, Ausgangskurzschluss-zu-GND, Ausgangskurzschluss-zu-Leistung und REXT-Kurzschluss-zu-GND
    • Fehlererkennungs-LEDs eingeschaltet bei 0,1 mA, um Flackern zu vermeiden
    • Kurze Erkennungs-Schwellenspannungsauswahl (2 V/3 V/4 V/4,5 V)
    • Schlaf- und 0-Data-Modus zur Reduzierung des Versorgungsstroms
    • Vorübertemperaturwarnung
  • 4-Wire Serielle Schnittstelle (LAT, DI, DO, DCK)
    • 25-MHz-Taktfrequenz für Datenübertragung
    • Graustufen-Takt zur EMI-Reduzierung
    • Kaskadierte Fähigkeit (max. 1.440 Geräte)
    • Externer GCK-Watchdog
    • Gestaffelte Ausgangsverzögerung für EMI-Reduzierung

Applikationen

  • LED-Videodisplays für Innen- und Außenbereiche
  • Veränderliche Nachrichtenschilder (VMS)
  • Verkehrsschilder
  • Plakatschilder für den Außenbereich
  • LCD-Hintergrundbeleuchtung

Technische Daten

  • Nicht AEC-qualifiziert
  • Standard-Konformität (PPAP wird nur von der Automobilindustrie unterstützt)
  • Lineare LED-Treiber-Topologie
  • 3 V Mindestversorgungsspannung
  • 5,5 V Maximale Versorgungsspannung
  • 15 V maximale VOUT
  • Anzahl der Kanäle: 16
  • 55 mA Ausgangsstrom
  • 55 mA Kanal max. Ausgangsstrom
  • 1,5 % Genauigkeit
  • PWM-Verdunkelung durch internes 16-bit-register
  • -40 °C bis 85 °C Temperaturbereich

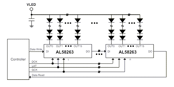
Applikationsschaltplan

Applikations-Schaltungsdiagramm - Diodes Incorporated AL58263 Graustufen-PWM-Dimmer-LED-Treiber
Veröffentlichungsdatum: 2024-04-30 | Aktualisiert: 2024-05-14