CML Micro EV90A007 & EV90A009 Evaluation Boards
CML Micro EV90A007 and EV90A009 Evaluation Boards are designed to evaluate the CMX90A007 and CMX90A009 power amplifiers, respectively. The CMX90A007 and CMX90A009 Power Amplifiers feature a frequency range of 136MHz to 1000MHz, which is ideal for dual-cell lithium battery-powered wireless devices. These power amplifiers require external matching at both input and output to optimize performance for each application and frequency band. The CMX90A009 power amplifier is intended as the output stage in a high-power amplifier, combined with CMX90A007 driver to provide a complete line-up solution. The CMX90A007 can be used as a standalone final-stage power amplifier or driver stage for the CMX90A009 amplifier. Typical applications include critical communications, two-way radios (analog/digital), public safety TETRA/P25, wireless data modem/network, and marine radio/AISUHF.Features
- EV90A007:
- PCB consists of a four-layer FR-4 with a total thickness of 1.592mm
- PCB measures 50mm x 50mm
- Microstrip RF input and output width is 0.38mm
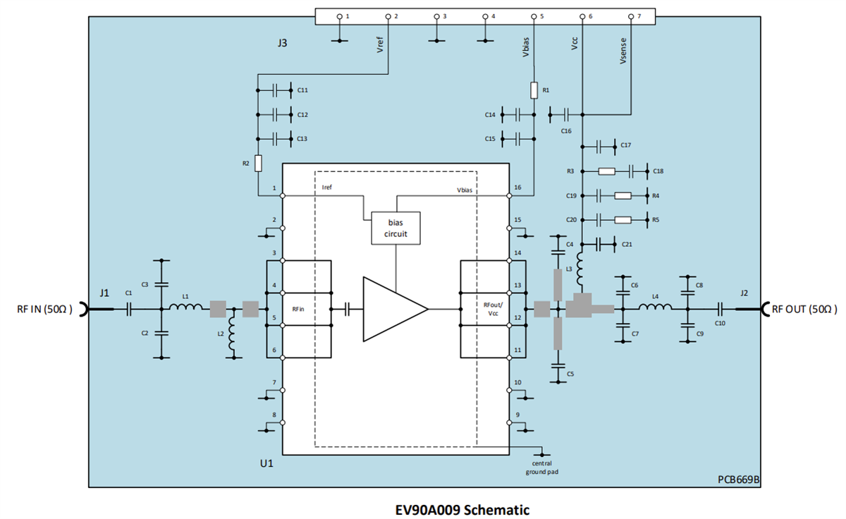
- EV90A009:
- PCB consists of a single-layer FR-4 with a total thickness of 0.5mm attached to an aluminium carrier
- PCB measures 41mm x 41mm
- Microstrip RF input and output width is 1.00mm
Applications
- Critical communications
- PMR/LMR hand-portable
- Two-way radio (analog/digital)
- Public safety TETRA/P25
- Wireless data modem/network
- VHF/UHF/915MHz ISM band
- Marine radio/AISUHF
Veröffentlichungsdatum: 2025-05-04
| Aktualisiert: 2025-05-22
