Bourns HCT AEC-Q200-konforme Transformatoren

Bourns HCT AEC-Q200-konforme Transformatoren sind Leistungstransformatoren mit hoher Luft- und Kriechstrecke, die mit einem Ferrit-Toroid-Kern für einen hohen Kopplungsfaktor und einen hohen Wirkungsgrad ausgelegt sind. Die Transformatoren verfügen über eine verstärkte Isolierung, eine minimale Luft-/Kriechstrecke von 8 mm und eine Spannungsfestigkeit von 5 kV, um ein erhöhtes Maß an Isolierung gegen Hochspannungsrisiken zu bieten. Bourns HCT AEC-Q200-konforme Leistungstransformatoren sind für Isolationsnetzteile mit SN6501 und SN6505B Transformatortreibern von Texas Instruments ausgelegt. Die Baureihe entspricht den Standards IEC 60950-1, IEC 62368-1, IEC 60664-1 und Automotive-AEC-Q200.

Merkmale

  • AEC-Q200-konform
  • Toroid-Core für hohe Kopplung und geringe Strahlung
  • Verstärkte Isolierung für eine Betriebsspannung von 800 V
  • Konform mit IEC 60950-1, IEC 62368-1 und IEC 60664-1
  • Für die Isolierung von Stromversorgungen mit TI SN6501 und SN6505B ausgelegt
  • RoHS-konform

Applikationen

  • Automotive-Batteriemanagementsysteme (BMS)
  • Automotive-Gate-Treiber
  • RS485
  • CAN-Schnittstellen
  • Digitale Eingangsmodule
  • RS323 Isolierung

Technische Daten

  • 3,3 V bis 5 V Eingangsspannung
  • Nennspannung: 3,3 V bis 15 V
  • AC-Nennstrom: 350 mA
  • Mindest-Primärinduktivität bei 100 kHz: 250 µH bis 350 µH
  • Streuinduktivität bei 100 kHz: 0,6 µH bis 1,8 µH
  • Betriebstemperaturbereich: -40 °C bis +125 °C

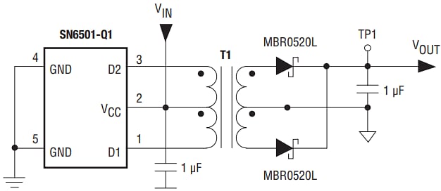
Applikations-Schaltung

Applikations-Schaltungsdiagramm - Bourns HCT AEC-Q200-konforme Transformatoren

Blockdiagramm

Blockdiagramm - Bourns HCT AEC-Q200-konforme Transformatoren
Veröffentlichungsdatum: 2020-01-21 | Aktualisiert: 2024-05-17