Analog Devices / Maxim Integrated MAX22190 Oktaler Industrie-Digitaleingang
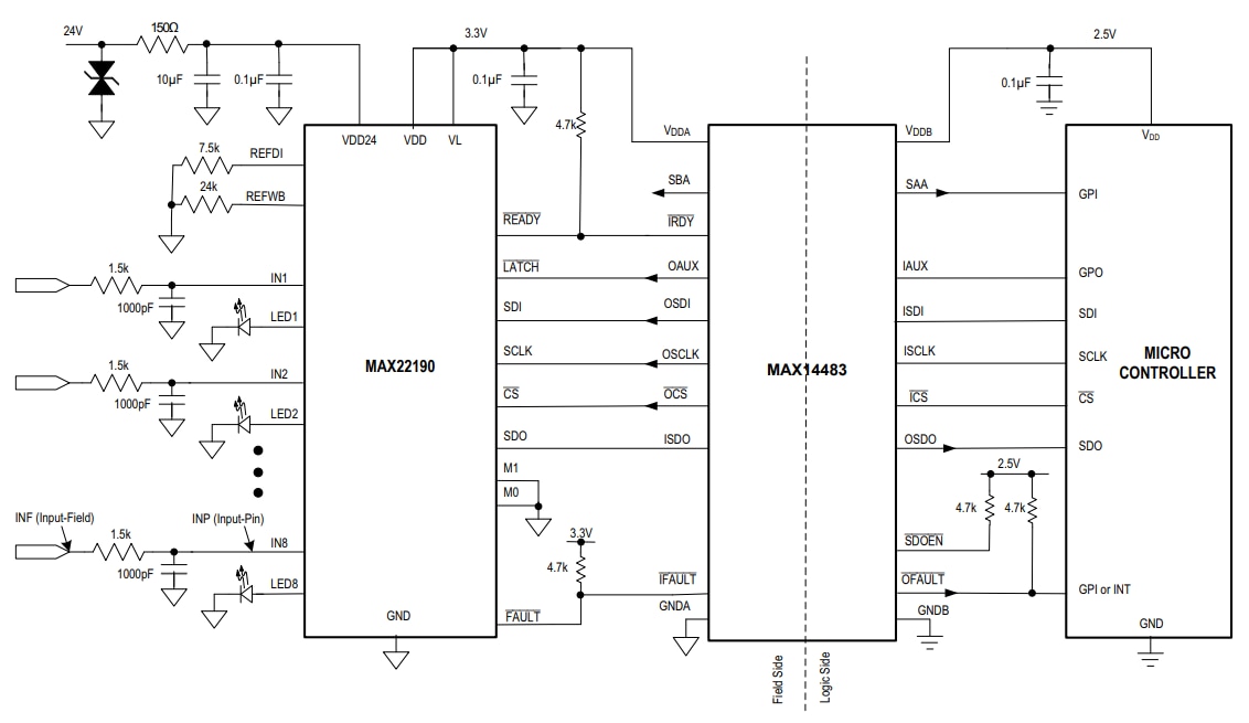
Der Maxim Integrated MAX22190 oktale Industrie-Digitaleingang setzt acht stromsenkende 24V-Industrieeingänge in einen SPI-kompatiblen seriellen Ausgang um. Dieses IEC 61131-2-konforme digitale Industrie-Eingangsbauteil verfügt über einen Stromeinstellungswiderstand, der eine Konfiguration von Typ 1, Typ 2 oder Typ 3 Eingängen ermöglicht. Die Verdrahtung wird von einem Detektor mit einem zweiten Grenzwert an jedem Eingang verifiziert. Bei Auftreten eines Drahtbruches wird der FAULT-AUSGANG aktiviert und eine Registermeldung gesetzt, wenn der Eingangsstrom während mehr als 20 ms unter den Drahtbruck-Schwellenwert abfällt. Zusätzliche Diagnosefunktionen, die einen FAULT aktivieren: Übertemperatur, niedrige 24V-Feldversorgung, fehlende 24V-Feldversorgung und CRC-Kommunikationsfehler.Merkmale
- Die hohe Integration reduziert die Stückliste und spart Boardplatz
- Acht Eingangskanäle mit Serialisierer
- Wird direkt von der Feldversorgung (7 V bis 65 V) betrieben
- Kompatibel mit 3,3V- oder 5V-Logik
- TQFN-Gehäuse von 5 x 5 mm
- Fehlertolerant mit eingebauten Diagnosefunktionen
- Eingangsschutz bis ±40 V mit geringem Eingangsableitstrom
- Drahtbrucherkennung
- Integrierte Feldversorgungsspannung-Überwachung
- Integrierte Übertemperaturüberwachung
- 5-Bit-CRC-Code-Erzeugung und -Übertragung zur Fehlererkennung
- Reduziert die Verlustleistung und Wärmeverluste
- Akkurate Eingangsstrombegrenzer
- Energiesparende feldseitige LED-Treiber
- Konfigurierbarkeit ermöglicht eine große Auswahl von Applikationen
- Konfigurierbar für IEC 61131-2 Typ 1, 2, 3 Eingänge
- Konfigurierbare Eingangsstrombegrenzung von 0,5 mA bis 3,4 mA
- Auswählbare Eingangs-Entprellungfilterung
- Robustes Design
- ±8 kV Kontakt-ESD und ±15 kV Luftspalt-ESD mit einem Mindest-Widerstand von 1 kΩ
- ±1 kV stoßtolerant mit mindestens 1 kΩ
- -40 °C bis + 125 °C Betriebstemperaturbereich
Applikationen
- Programmierbare Logik-Controller
- Industrielle Automatisierung
- Prozessautomatisierung
- Gebäudeautomatisierung
Isolierter okataler Digitaleingang
Veröffentlichungsdatum: 2018-06-26
| Aktualisiert: 2023-04-25
