Analog Devices Inc. MAX20057 36 V-Boost Controller

Der Analog Devices Inc. MAX20057 36 V-Boost Controller ist ein hochintegrierter PMIC mit drei Ausgängen, der für Fahrzeuganwendungen ausgelegt ist. Der MAX20057 enthält zwei Synchroneabwärtswandler und einen asynchronen Boost Controller mit Optionen von 2,1 MHz und 400 kHz. Der Boost Controller kann Abwärtswandler mit Leistung versorgen und hält sie während des Kaltstartbetriebs bis hinunter auf einen Batterieeingang in der Regelung. Der IC arbeitet mit einer Eingangsspannungsversorgung von 3,5 V bis 36 V und ist in Dropout-Bedingungen bei einem Tastverhältnis von 95 % funktionsfähig.

Die ADI MAX20057 36-V-Boost Controller bieten eine hohe Schaltfrequenz bis zu 2,1 MHz und ermöglichen kleine externe Komponenten, eine reduzierte Ausgangswelligkeit und gewährleisten, dass keine AM-Band-Störungen auftreten. Die Schutzfunktionen umfassen eine zyklusbedingte Strombegrenzung und eine thermische Abschaltung. Der MAX20057 Boost Controller ist für den Betrieb über einen Automotive-Temperaturbereich von -40 °C bis +125 °C ausgelegt.

Merkmale

  • Erfüllt die strengen OEM-Modul-Stromverbrauchs- und Leistungsspezifikationen
    • 10 μA Versorgungsstrom mit 5 V Abwärtswandler ein
    • 8 μA Versorgungsstrom mit 3,3 V Abwärtswandler ein
    • 30 μA Versorgungsstrom mit allen Reglern eingeschaltet
  • Ermöglicht Kaltstart-Designs
    • Ausgangsspannungen in Regelung über Kaltstart bis zu mindestens 2 V Batteriespannung
    • Großer Eingangsversorgungsbereich von 3,5 V bis 36 V
  • EMI-Reduktionsfunktionen reduzieren Störungen mit empfindlichen Funkbändern, ohne den großen Eingangsspannungsbereich zu beeinträchtigen
    • Mindesteinschaltzeit von 20 ns (typisch) garantiert einen unterbrechungsfreien Betrieb für den 3,3 V-Ausgang bei 2,1 MHz
    • Frequenzspreizungsoption
    • Phasenregelschleifen(PLL)-Frequenzsynchronisierung
  • Integration und thermisch verbesserte Gehäuse sparen Boardplatz und Kosten
    • Zwei 2,1 MHz Abwärtswandler mit einem asynchronen Aufwärtsregler
    • Strommodus-Regler mit erzwungenen Festfrequenz- und Skip-Modi
    • Thermisch verbessertes 5 mm x 5 mm 28-Pin-TQFN-EP-Gehäuse
  • Schutzfunktionen verbessern Zuverlässigkeit des Systems.
    • Versorgungs-Unterspannungssperre
    • Übertemperaturschutz und Kurzschluss-Sicherung

Applikationen

  • Start-Stop-Systeme für die Automobilindustrie
  • Kombiinstrumente
  • Verteilte DC-Leistungssysteme
  • Navigationsgeräte und Radio Head Unit

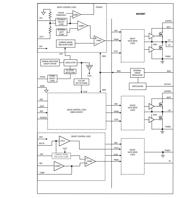
Blockdiagramm

Blockdiagramm - Analog Devices Inc. MAX20057 36 V-Boost Controller
Veröffentlichungsdatum: 2020-12-23 | Aktualisiert: 2024-08-12