Analog Devices Inc. LTC7062 Dual-High-Side-MOSFET-Gate-Treiber

Der LTC7062 Dual-High-Side-MOSFET-Gate-Treiber von Analog Devices treibt zwei High-Side-n-Kanal-MOSFETs mit Versorgungsspannungen von bis zu 100 V an. Beide Treiber können mit einer anderen Erdungsreferenz betrieben werden und bieten eine ausgezeichnete Rausch- und Transientenimmunität. Die beiden Treiber sind symmetrisch und unabhängig voneinander, wodurch eine komplementäre oder nicht-komplementäre Schaltung ermöglicht wird.

Der LTC7062 von Analog Devices mit einem leistungsstarken Pull-down- von 0,8 Ω und Pull-up-MOSFET-Treibern von 1,5 Ω ermöglicht die Verwendung von Hochspannungs-MOSFETs mit hoher Gate-Kapazität. Zusätzliche Funktionen umfassen UVLO-, TTL-/CMOS-kompatible Eingänge und eine Fehleranzeige.

Merkmale

  • Einzigartige symmetrische potentialfreie Gate-Treiber-Architektur
  • Hohe Rauschimmunität, toleriert einen Masseunterschied von ±10 V
  • Maximale Eingangsspannung von 100 V unabhängig von der IC-Versorgungsspannung VCC
  • Betriebsspannung: 5 V bis 14 V VCC
  • Gate-Treiber-Spannung: 4 V bis 14 V
  • Pull-Down von 0,8 Ω, Pull-up von 1,5 Ω für ein schnelles Ein-/Ausschalten
  • TTL- und CMOS-kompatible Eingänge
  • VCC UVLO/OVLO und UVLO mit potentialfreien Versorgungen
  • Steuert Dual-n-Kanal-MOSFETs an
  • Open-Drain-Fehleranzeige (VCC UVLO/OVLO, Gate-Treiber-UVLO und thermische Abschaltung)
  • Erhältlich in thermisch verbessertem 12-Pin-MSOP
  • AEC-Q100-Qualifikation für Fahrzeuganwendungen noch ausstehend

Applikationen

  • Automotive- und Industrie-Leistungssysteme
  • Telekommunikations-Leistungssysteme

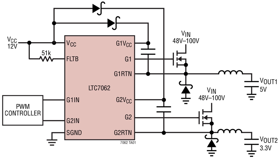
Typische Applikation

Applikations-Schaltungsdiagramm - Analog Devices Inc. LTC7062 Dual-High-Side-MOSFET-Gate-Treiber
Veröffentlichungsdatum: 2021-03-23 | Aktualisiert: 2025-02-06