Analog Devices Inc. LTC6810 6-Kanal-Multizellen-Batteriewächter
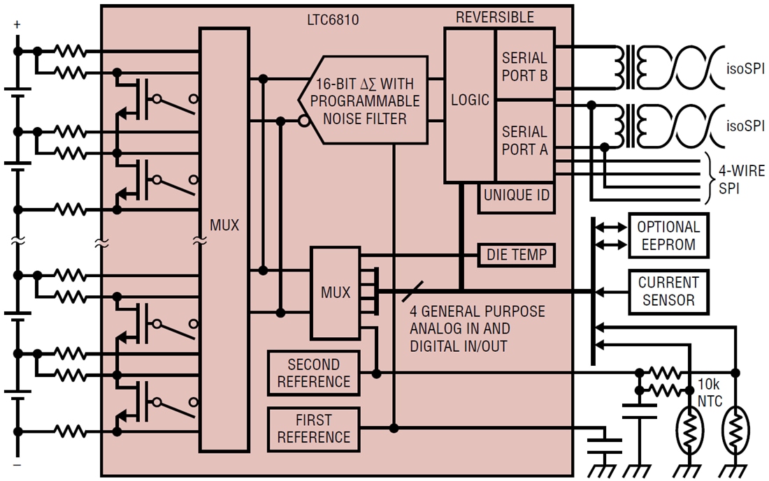
Der Analog Devices LTC6810 6-Kanal-Multizellen-Batteriewächter kann bis zu sechs in Reihe geschaltete Batteriezellen mit einem Gesamtmessfehler von weniger als 1,8 mV messen. Der Zellenmessbereich von 0 V bis 5 V macht den LTC6810 zu einer geeigneten Wahl für die meisten Batteriechemien. Alle sechs Zellen können in 290 µs gemessen werden und für eine hohe Rauschunterdrückung können niedrigere Datenerfassungsraten ausgewählt werden. Mehrere LTC6813-1 Bauteile können in Reihe geschaltet werden, um die gleichzeitige Überwachung der Zellen langer Hochspannungsbatteriestränge zu ermöglichen. Alle LTC6810 verfügen über eine isoSPI™-Schnittstelle für die HF-immune Hochgeschwindigkeitskommunikation über lange Strecken. Mithilfe des LTC6810-1 können mehrere Bauteile in einer Verkettung mit einer Host-Prozessorverbindung für alle Bauteile verbunden werden. Der LTC6810-1 unterstützt den bidirektionalen Betrieb und ermöglicht so die Kommunikation, selbst wenn ein Draht unterbrochen ist. Der LTC6810-2 ermöglicht die Parallelschaltung mehrerer Bauteile mit dem Host-Prozessor, wobei jede Komponente einzeln adressiert wird.Der LTC6810 kann direkt vom Batteriesatz oder von einer isolierten Versorgung betrieben werden. Der LTC6810 bietet den passiven Ausgleich für jede Zelle per PWM-Tastverhältnisregelung und die Möglichkeit redundanter Messungen von Zellen. Weitere Merkmale sind u. a. ein 5-V-On-Board-Regler, vier I/O-Universal-Leitungen (GPIO) und ein Schlafmodus, in dem der Stromverbrauch auf 4 μA reduziert wird.
Merkmale
- Messung von bis zu 6 in Reihe geschaltete Batteriezellen
- Maximaler Gesamtmessfehler: 1,8 mV
- Stapelbare Architektur unterstützt Hunderte von Zellen
- Eingebaute isoSPI-Schnittstelle
- 290 µs zur Messung aller Zellen in einem System
- Isolierte serielle Kommunikation: 1 MB
- Verwendet ein einzelnes Twisted-Pair-Kabel, bis zu 100 Meter
- Geringe EMI-Empfindlichkeit und -Emissionen
- Bidirektional zum Schutz bei Drahtbruch
- Garantierte Leistung bis hinunter zu 5 V
- Führt redundante Messungen von Zellen durch
- Für ISO 26262-konforme Systeme entwickelt
- Passiver Zellausgleich mit programmierbarer Pulsweitenmodulation
- 4 digitale Universal-I/O oder analoge Eingänge
- Temperatur- oder andere Sensoreingänge
- Als I2C- oder SPI-Master konfigurierbar
- Stromverbrauch von 4 μA im Ruhemodus
- 44-Pin-SSOP-Gehäuse
Applikationen
- Elektro- und Hybrid-Elektrofahrzeuge (HEV)
- Backupbatterie-Systeme
- Netzenergiespeicher
- Tragbare Hochleistungsausrüstungen
Typische Applikation
Videos
Veröffentlichungsdatum: 2019-07-24
| Aktualisiert: 2024-03-01
