Analog Devices Inc. LT8253/LT8253A USB-Type-C™-Auf-/Abwärtswandler
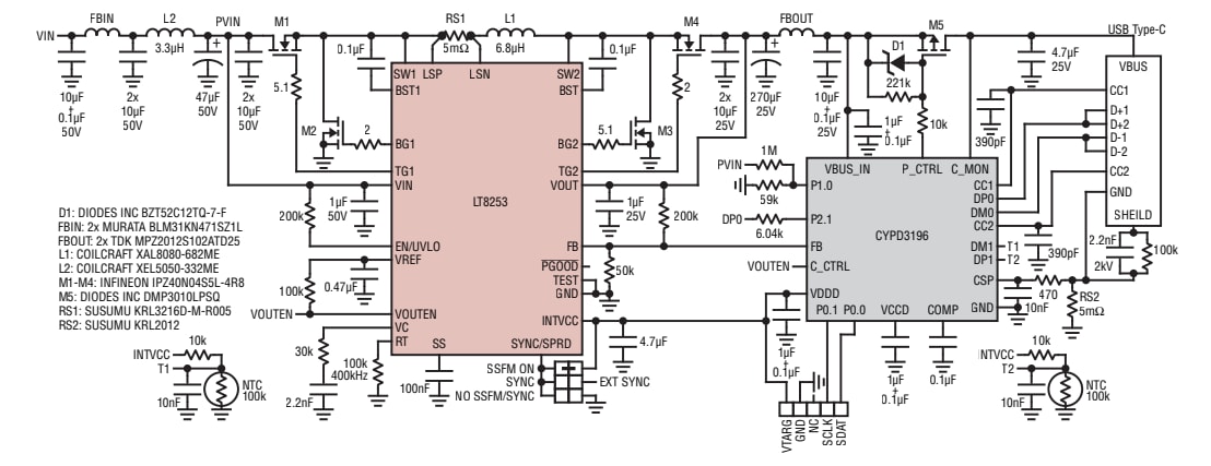
Analog Devices Inc. LT8253 und LT8253A USB-Type-C™-Auf-/Abwärtswandler bieten eine synchrone Leistung mit vier Schaltern, die für eine Automotive-USB-C-Power-Delivery optimiert ist. Die Controller erfüllen die USB-Power-Delivery(PD)-Spezifikation, wenn sie zusammen mit einem USB-Typ-C- oder PD-Anschluss-Controller verwendet werden.Die LT8253 und LT8253A USB-Typ-C-Auf-/Abwärtswandler von ADI können die Anstiegsrate der Ausgangsspannung über den FB-Pin steuern. Der LT8253 liefert eine Ausgangsleistung von bis zu 100 W mit einem Spitzenwirkungsgrad von 98 %, wenn er unter dem AM-Band betrieben wird. Währenddessen bietet der LT8253A bei einem Betrieb über dem AM-Band eine Ausgangsleistung von bis zu 60 W mit einem Spitzenwirkungsgrad von 95 %.
Die LT8253 und LT8253A ermöglichen einen einzelnen Auf-/Abwärtswandler-Ausgang für einen Typ-C-Anschluss mit einer Power-Good-Flag. Die Bauteile unterstützen Überstrom- und Überspannungsschutzfunktionen sowie eine Kurzschluss-Sicherung.
Merkmale
- Proprietäre Auf-/Abwärts-Architektur mit niedriger EMI
- Großer Eingangsbereich von 4 V bis 40 V
- Synchrone Schaltung mit einem Wirkungsgrad von bis zu 98 %
- Ausgangsspannungsregelung: ±1,5 %
- Der Einfachausgang unterstützt einen Typ-C-Anschluss von bis zu 100 W
- Ausgangskanal-Freigabefunktion
- Programmierbare Schaltfrequenz mit externer Synchronisierung und Frequenzspreizung
- Überspannungs- und Überstromschutz sowie Kurzschluss-Sicherung
- Erhältlich in einem 28-Pin-QFN-Gehäuse
- AEC-Q100-Qualifizierung noch ausstehend
Applikationen
- Automotive-USB-C-Power-Delivery
- Universal-Spannungsregler
Typische Applikation
Blockdiagramm
Veröffentlichungsdatum: 2022-03-29
| Aktualisiert: 2022-07-05
