Analog Devices Inc. EVAL-LTPA-RL2000 DC-Wirkungsgradmessgerät

Der Wirkungsgradprüfer für DC-Stromzähler EVAL-LTPA-RL2000 von Analog Devices wurde konzipiert für die Verwendung mit dem Kit LTpowerAnalyzer® (EVAL-LTPA-KIT). Das Bauteil EVAL-LTPA-RL2000 von ADI ist ein kompaktes Laborinstrument zur Charakterisierung des Wirkungsgrad eines Stromversorgungsdesigns über mehrere Laststromwerte hinweg. Mit zwei Spannungseingängen und zwei Stromeingängen ist das Bauteil RL2000 in der Lage, gleichzeitig die Eingangs- und Ausgangsleistung bis zu einem Wert von maximal 150 W zu messen. Dieser Wirkungsgradprüfer für DC-Stromzähler bietet einen Messbereich von ±125 V für die Spannungseingänge und 10 µA, 100 µA, 1 mA, 10 mA, 100 mA, 1 A, 10 A und 30 A für den Stromeingang und die Last. Zur Vereinfachung der Bedienung ist im Bauteil RL2000 eine Funktion zum automatischen Bereichswechsel implementiert, mit der das Messgerät automatisch auf den für den gemessenen Eingang am besten geeigneten Bereich umschaltet wird.

Merkmale

  • Zur Verwendung mit dem Kit LTpowerAnalyzer (EVAL-LTPA-KIT)
  • Messung isolierte Spannungsmesskanäle
    • Bereich: ±125 VDC
    • 1 mV Auflösung
    • Impedanz: 2 MΩ
    • Genauigkeit: 0,01 % des Messwerts + 0,01 % des Messbereichs
  • 1x isolierter Strommesskanal mit programmierbarem Spannungsabfall
    • DC-Eingang: 30 A
    • Optionen: 10 µA, 100 µA, 1 mA, 10 mA, 100 mA, 1 A, 10 A und 30 A
    • Auflösung: 10 nA, 10 nA, 100 nA, 1 µA, 10 µA, 100 µA, 1 mA oder 1 mA
    • Genauigkeit: 0,025 % Ablesung + 0,01 % Bereich
    • Genauigkeit der Servospannung: 0,01 % des Messwerts + 0,01 % des Messbereichs
    • Spannungsabfallbereich: 0 V und 5 V
    • Abschalttemperatur: +70 °C
  • 1x isolierte programmierbare Stromlast
    • DC-Eingang: 30 A
    • Optionen: 10 µA, 100 µA, 1 mA, 10 mA, 100 mA, 1 A, 10 A und 30 A
    • Auflösung: 10 nA, 10 nA, 100 nA, 1 µA, 10 µA, 100 µA, 1 mA oder 1 mA
    • Genauigkeit: 0,025 % Ablesung + 0,01 % Bereich
    • 150 W maximale Leistung
    • Lastspannung: 75 V
    • Abschalttemperatur: +70 °C
  • Automatische Temperaturüberwachung und Wärmemanagement
  • Mehrere Zähler können verwendet werden, um mehrere Eingänge oder Hochstrom-Applikationen (>30 A) zu unterstützen.
  • USB-Type-C®-Schnittstelle

Applikationen

  • Evaluierung von DC/DC-Wandlern
  • Stromversorgungs-Tests
  • Energieoptimierung in Embedded-Systeme
  • Leistungsmanagement-ICs im Benchmarking
  • Labor- und Forschungs- und Entwicklungsumgebungen
  • Elektronik für Fahrzeuge und Industrie

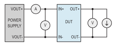
Typischer Testaufbau

Technische Zeichnung - Analog Devices Inc. EVAL-LTPA-RL2000 DC-Wirkungsgradmessgerät

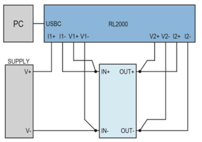
Typischer Hardware-Aufbau

Technische Zeichnung - Analog Devices Inc. EVAL-LTPA-RL2000 DC-Wirkungsgradmessgerät
Veröffentlichungsdatum: 2025-12-03 | Aktualisiert: 2025-12-10