Analog Devices Inc. EVAL-ADN4680E Evaluierungskit
Das Analog Devices Inc. EVAL-ADN4680E Evaluierungskit ist für die schnelle und einfache Demonstration der ADN4680E Quad-M-LVDS-Transceiver ausgelegt. Die ADN4680E Quad-M-LVDS-Transceiver sind Treiber- und Empfängerpaare, die mit bis zu 125 MHz oder einem Nonreturn-to-Zero (NRZ) von 250 MBit/s betrieben werden können. Der Treiber und der Empfänger aller Transceiver sind in einer Halbduplex-Konfiguration verbunden. Diese Konfiguration ermöglicht die Konfiguration jedes Transceivers über unabhängige Freigabe-Pins für das Senden oder Empfangen von Daten. Das EVAL-ADN4680EEBZ ist für die Hochgeschwindigkeits-Signalisierung optimiert.Das EVAL-ADN4680E Evaluierungskit von ADI bietet M-LVDS-Differential-Signalspuren auf dem Board, das als Längen-abgestimmtes 100-Ω-Differentialpaar geroutet ist. Der digitale DIx-Eingang und der ROx-Empfängerausgang sind mit einer gesteuerten 50-Ω-Impedanzmasse abgestimmt und geroutet. Das EVAL-ADN4680EEBZ bietet eine solide Masse und Powerplane für eine optimale Leistungsintegrität.
Das EVAL-ADN4680EEBZ verfügt über einen Footprint für die ADN4680E Transceiver in einem 48-Pin-LFCSP-Gehäuse von 7 mm × 7 mm.
Merkmale
- Einfache Evaluierung der ADN4680E 250-MBit/s-Halbduplex-Quad-M-LVDS-Transceiver
- Das Board-Layout ist für eine Hochgeschwindigkeits-Signalisierung optimiert
- Abgestimmte Spurlängen auf M-LVDS-Differentialpaaren mit kontrollierter Differentialimpedanz von 100 Ω
- Abgestimmte Spurlängen auf Hochgeschwindigkeits-DIx- und ROx-Logiksignalen mit kontrollierter Impedanz zu GND von 50 Ω
- SMA-Buchsen für den Anschluss an Hochgeschwindigkeits-DIx- und ROx-Logiksignale und M-LVDS-Ax- und Bx-Signale
- Optionale Schraubanschluss-Steckverbinder für den Zugriff auf die ROx-, REx-, DEx- und DIx-Logiksignale
- Strom-/Erdungsverbindungen über Schraubanschlussklemmen
- Steckbrücken-wählbare globale Abschaltung über den ENP-Pin
- Steckbrücken-wählbare Treiberfreigabe, Empfängerfreigabe und Ausfallsicherheit für jeden Transceiver über die REx-, DEx- und FSx-Pins
- Testpunkte zur Messung aller Signale und mehrerer Erdungspunkte zur Erleichterung der Sondierung mehrerer Signale
- Anschlusswiderstände von 100 Ω über Ax- und Bx-Signale zur Simulation eines angeschlossenen Busses
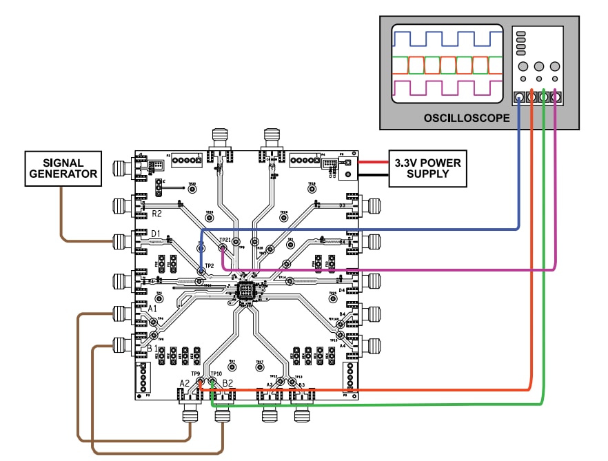
Erforderliche Ausrüstung
- Vierkanal-Oszilloskop
- Signalgenerator
- Stromversorgung von 3 V bis 3,6 V
Übersicht
Konfiguration des Evaluierungsboards
Veröffentlichungsdatum: 2021-10-28
| Aktualisiert: 2022-03-11
