Analog Devices Inc. DC3082A-C Demonstrationsschaltung für LTM4681
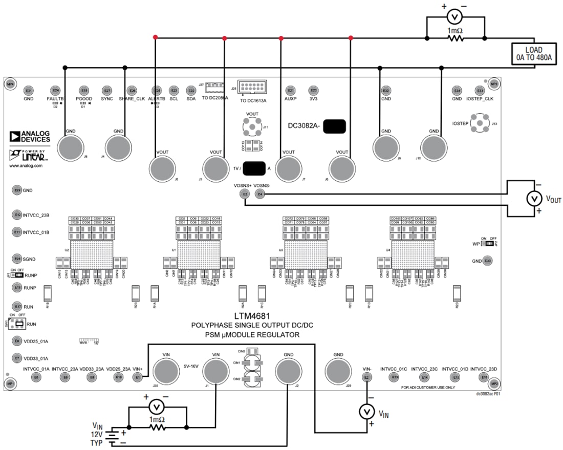
Analog Devices Inc. DC3082A-C Demonstrationsschaltung für den LTM4681 PolyPhase® mehrphasigen DC/DC-Abwärts-μModule-Regler mit Einzelausgang. Der LTM4681 verfügt über ein digitales Leistungssystemanagement. Der DC3082A-C ist als 16-Phasen-Einzelausgang mit 4× LTM4681 konfiguriert. Die werkseitige Standard-Eingangsspannung beträgt 12 V (typisch) und die Ausgangsspannung beträgt 1 V bei einem typischen Spitzenwert von 480 A oder 500 A mit einem empfohlenen erzwungenen Luftstrom von 400 LFM. Die Ausgangsspannungen des Demonstrationsboards können von 0,6 V bis 1 V eingestellt werden. Die Programmierung der Ausgangsspannungen auf einen Wert von mehr als 1 V erfordert einen Derating-Ausgangsstrom basierend auf thermischen Derating-Kurven, die im Datenblatt des LTM4681 bereitgestellt werden. Der Kühlkörper oder andere geeignete elektronische Kühlsysteme können auch mit erzwungenem Luftstrom verwendet werden, um die Ausgangsleistung weiter zu optimieren, wenn der Ausgang eingeschaltet und mit einem maximalen Ausgangsstrom geladen ist.Die werkseitige Standard-Schaltfrequenz ist bei 350 kHz (typisch) voreingestellt. Der Analog Devices Inc. DC3082A-C wird mit einer PMBus-Schnittstelle und digitalen Leistungssystemmanagement-Funktionen geliefert. Ein On-board-12-Pin-Steckverbinder ist für Benutzer zur Verbindung des Dongle DC1613A mit dem Demonstrationsboard verfügbar. Dieser Steckverbinder bietet eine einfache Methode zur Kommunikation und Programmierung des Bauteils mit dem LTpowerPlay®-Software-Development Tool. Die LTpowerPlay-Software und der I2C-/PMBus-/SMBus-Dongle DC1613A ermöglichen Benutzern die Überwachung der Echtzeit-Telemetrie von Eingangs- und Ausgangsspannungen, Eingangs- und Ausgangsstrom, Schaltfrequenz, internen IC-Chip-Temperaturen, Leistungsstufen-Bauteiltemperaturen und Fehlerprotokollen. Programmierbare Parameter umfassen Bauteiladresse, Ausgangsspannungen, Regelkreiskompensation, Schaltfrequenz, Phasenverschachtelung, DCM- oder CCM-Betriebsmodus. Dazu gehören auch ein digitaler Soft-Start, eine Sequenzierung und eine zeitbasierte Abschaltung, Fehlerreaktionen auf Eingangs- und Ausgangs-Überspannung, ein Ausgangs-Überstrom, ein IC-Chip und eine Leistungskomponente über Temperatur.
LTpowerPlay-GUI-Software
LTpowerPlay ist eine robuste Windows-basierte Entwicklungsumgebung, die die Produkte von Analog Devices Inc. Digital Power System Management (PSM)-Produkte. LTpowerPlay unterstützt verschiedene Aufgaben, wie die Evaluierung der ICs von Analog Devices durch den Anschluss an ein Demoboard-System und in einem Offline-Modus (ohne Hardware), um eine Multichip-Konfigurationsdatei zu erstellen, die zu einem späteren Zeitpunkt gespeichert und neu geladen werden kann. Es bietet auch beispiellose Diagnose- und Debug-Funktionen und wird zu einem wertvollen Diagnosewerkzeug während der Inbetriebnahme des Boards, um das Energieverwaltungsschema in einem System zu programmieren oder zu optimieren, oder um Energieprobleme bei der Inbetriebnahme von Schienen zu diagnostizieren.
LTpowerPlay kann von Analog Devices Inc. heruntergeladen werden
Einrichtung der Ausrüstung
